EasyManua.ls Logo

Sanyo PLC-SU20E - Page 54

Sanyo PLC-SU20E
100 pages
Print Icon
To Next Page IconTo Next Page
To Next Page IconTo Next Page
To Previous Page IconTo Previous Page
To Previous Page IconTo Previous Page
Loading...
-54-
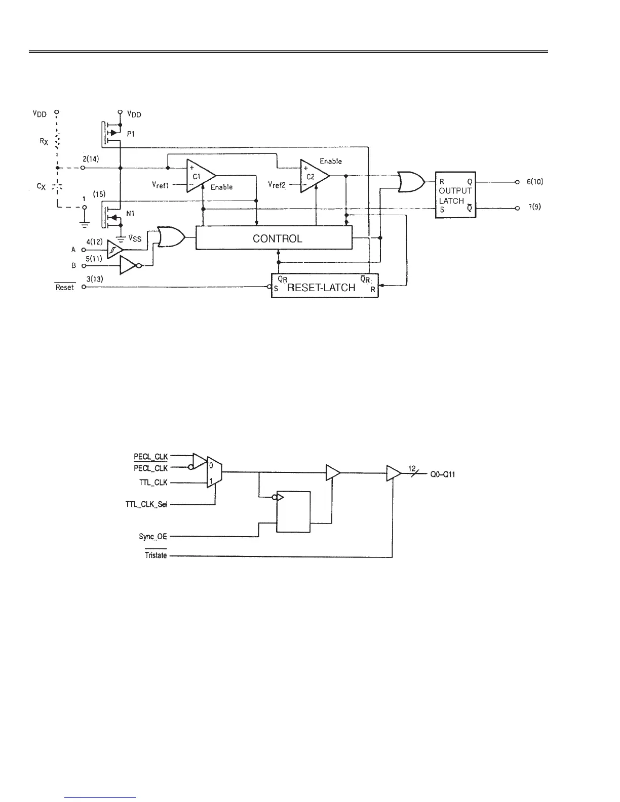
IC Block Diagrams
MC14538BF <IC7201>
MPC948FA <Clock Driver, IC1302>

Related product manuals