EasyManua.ls Logo

Sanyo PLC-SU20E - Page 55

Sanyo PLC-SU20E
100 pages
Print Icon
To Next Page IconTo Next Page
To Next Page IconTo Next Page
To Previous Page IconTo Previous Page
To Previous Page IconTo Previous Page
Loading...
-55-
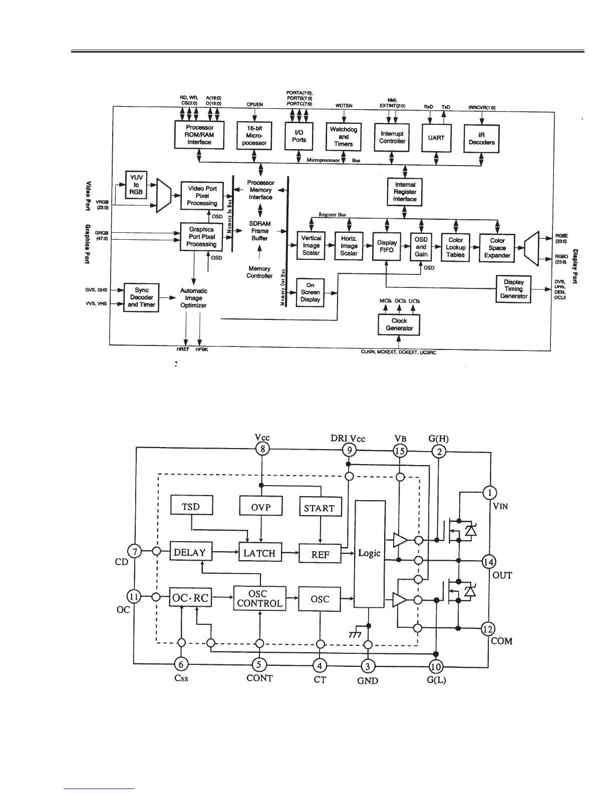
IC Block Diagrams
PW264 <System Control & Scan Converter, IC301>
STR-Z2156 <Power SWitching Control, IC631>

Related product manuals