EasyManua.ls Logo

Sanyo PLC-XE32

Sanyo PLC-XE32
96 pages
To Next Page IconTo Next Page
To Next Page IconTo Next Page
To Previous Page IconTo Previous Page
To Previous Page IconTo Previous Page
Loading...
-42-
POWER
LAMP BALLAST
MSW
IC5031
AUDIO-OUT
<LM4889>
IC5001
AUDIO-CONTOL
<NJW1141>
RC
RECEIVER
POWER SUPPLY
SW901
LAMP
COVER
SWITCH
SW902
THERMAL-SWITCH
P.F. CONTROL
SP901
SPEAKER
MUTE
LAMPDC_ON
RC
MAIN
Q6842
FAN_CON_A
FAN_CON_B
IC3531
D/A
<M62393>
12
13
R/C
IC891
INVERTER
<HD74LVC14T>
13
4
ON:H
ON:H
ON:H
ON:H
ERROR:H
P-ON:H
P.Fail:L
ON:H
2,3
10
2
1
1
Mute On:H
Mute On:H
Power On:H
Power On:H
Power On:L
L/R
VOLUME
POWER_LED
BLAST_AC
BLAST_AC
FAN_ERR
TEMP_LED
ON_33V
ON_150V
346
111
184
11
LAMP_DET
90
201
LAMP_LED
ON_50V
269
110
P_FAIL
FAN_SW1 FAN_SW1
LAMP_DC_ON
READY_LED
215
285
363
91
CHO_TXD
CHO_RXD
CHO_TXD
CHO_RXD
MUTE
KEY1
295
26
347
28
KEY2
126
KEY3
IRRCVR0
IRRCVR0
SCL1/SDA1
SCL2/SDA2
216
214
211,294
SCL0/SDA0
283,212
290,208
IC301
SYSTEM CONTROL
Q6843
Q6844
D6831
D6832
D6833
Q5036
Q6841
LAMP REPLACE
WARNING
POWER
IC4891
NAND
2
13
1
10
IC9882
INVERTER
K8R
K6S
K6R
K8S
3
1
K8H
4
5
1
K8D K28D
3
S5V
Q6861
FAN
CONTROL
CIRCUIT
KEY SWITCH
SCL2_5/SDA2_5
9
K8F
1
3
1
3
S1.8VD_PW
ON:H
Q6862
LAMP_DET
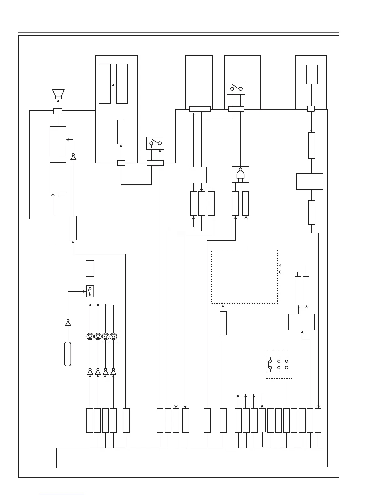
System control
Chassis Block Diagrams

Table of Contents

Other manuals for Sanyo PLC-XE32

Related product manuals