EasyManua.ls Logo

Sanyo PLC-XE32

Sanyo PLC-XE32
96 pages
To Next Page IconTo Next Page
To Next Page IconTo Next Page
To Previous Page IconTo Previous Page
To Previous Page IconTo Previous Page
Loading...
-53-
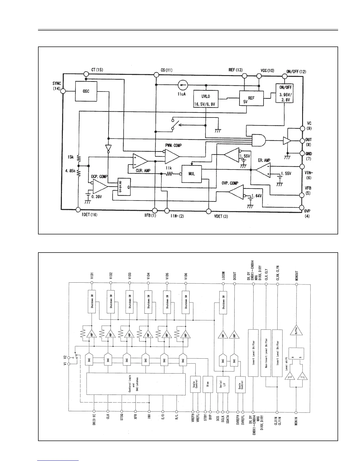
IC Block Diagrams
FA5502 <P.F. Control, IC621>
L3E6100D <D/A, S/H-LCD Driver, IC501, IC531, IC561>

Table of Contents

Other manuals for Sanyo PLC-XE32

Related product manuals