EasyManua.ls Logo

Satelec X-Mind DC - Page 56

Satelec X-Mind DC
65 pages
Print Icon
To Next Page IconTo Next Page
To Next Page IconTo Next Page
To Previous Page IconTo Previous Page
To Previous Page IconTo Previous Page
Loading...
X
X
-
-
M
M
i
i
n
n
d
d
®
®
D
D
C
C
5
5
5
5
REF
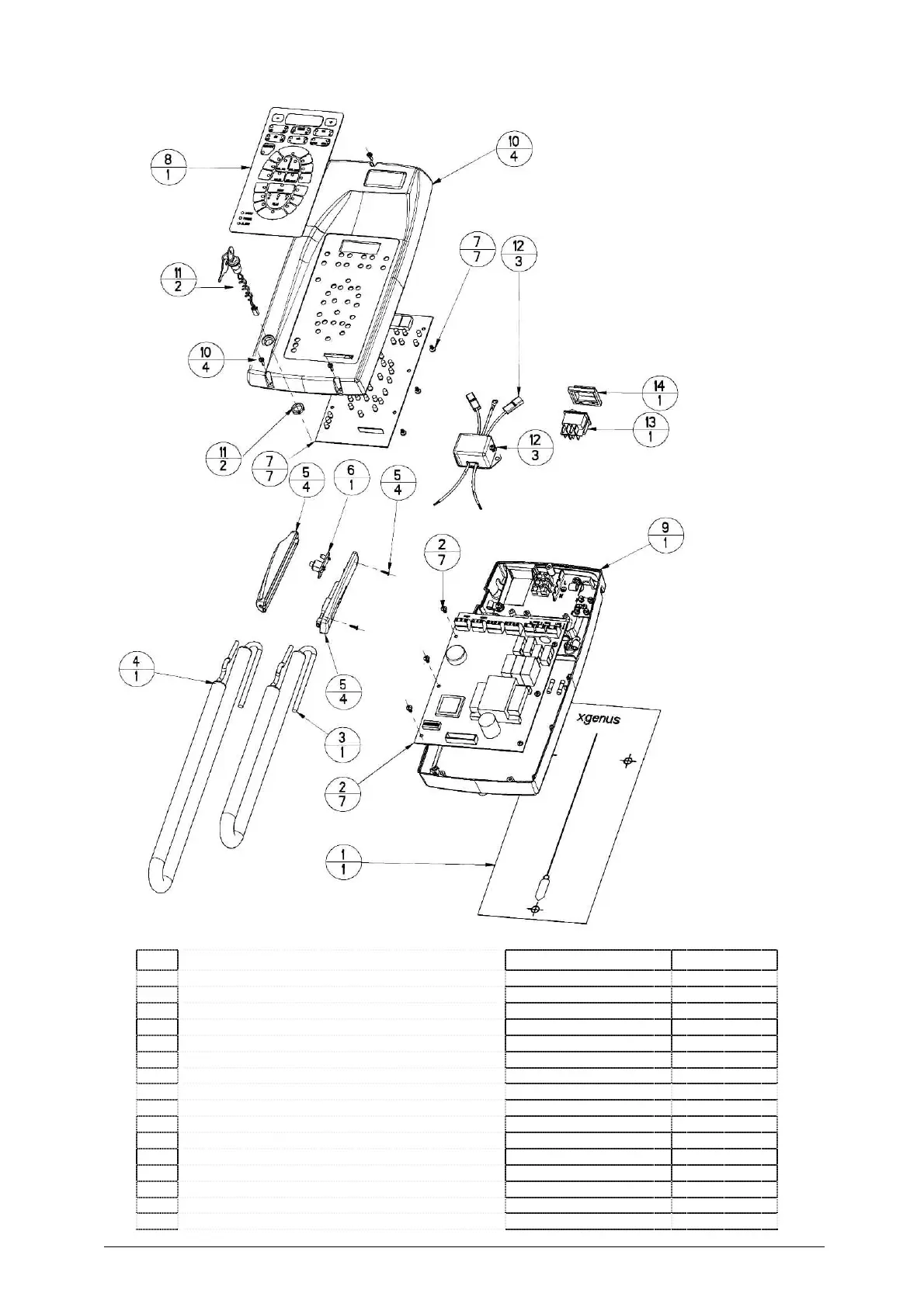
SPARE PARTS TIMER X-MIND
®
CODE Q.TY PCS
1 AC/DC XG TIMER (1) DIMA 24200883 1
2 AC/DC XG TIMER (2) SCHEDA CONTROL 39200306 7
2 AC/DC XG TIMER (2) SCHEDA CONTROL US 39200307 7
3 AC/DC XG TIMER (3) CAVO SPIR 32000325 1
4 AC/DC XG TIMER (4) CAVO SPIR DOPPIO 32000359 1
5 AC/DC XG TIMER (5) CASSA PULSANTE 29700974 4
6 SCHEDA COMANDO CON PULSANTE E LED 39700303 1
7 AC/DC XG TIMER (7) SCHEDA LED 39200313 7
8 AC/DC XG TIMER (8) TASTIERA DEG 39200308 1
8 AC/DC XG TIMER (8) TASTIERA SAT 39200309 1
9 AC/DC XG TIMER (9) CASSA 29700975 1
10 AC/DC XG TIMER (10) COPERCHIO 29700976 4
11 AC/DC XG TIMER (11) BLOCK CHIAVE 39700305 2
12 DC XG TIMER (12) FILTRO 36200382 3
13 INTERRUTTORE BIPOLARE VERDE 35000044 1
14 PROTEZIONE INTERRUTTORE BIPOLARE 33500228 1