EasyManua.ls Logo

Sauer Danfoss H1 - Page 31

Sauer Danfoss H1
44 pages
Print Icon
To Next Page IconTo Next Page
To Next Page IconTo Next Page
To Previous Page IconTo Previous Page
To Previous Page IconTo Previous Page
Loading...
31
11063344 • Rev EA • Dec 2012
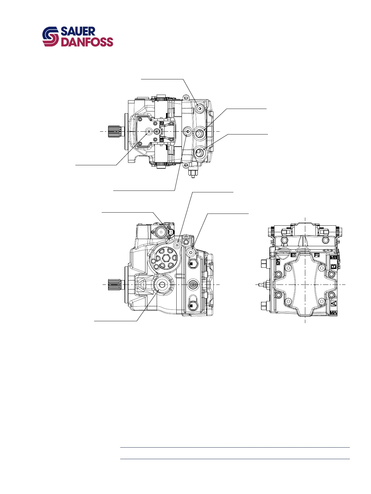
H1 Axial Piston Pump, Size 045/053, Single
Technical Information
Installation Drawings
Please contact Sauer-Danfoss for specic installation drawings
Port Description
(continued)
Charge ltration port "F"
Port ISO 11926-1 - 7/8-14
To lter
Charge ltration port "E"
Port ISO 11926-1 - 7/8-14
From lter
Charge gauge port "M3"
Port ISO 11926-1 - 9/16-18
Alternate charge pressure port ("AM3")
Port ISO 11926-1 - 9/16-18
Case drain "L2"
Port ISO 11926-1 - 1 1/16-12
Servo gauge port "M5"
Port ISO 11926-1 - 7/16-20
29 max clearance dia for tting
Control solenoid connector "C1"
Deutsch DT04-2P
To be paint free
Case gage port "M14"
Port ISO 11926-1 - 7/16-20
21 max clearance dia for tting
(EDC, FNR, NFPE)
System B gauge port "MB"
Port ISO 11926-1 - 9/16-18
P700 33 051-2

Table of Contents

Related product manuals