EasyManua.ls Logo

Sauer Danfoss H1 - Dimensions; Twin Port, ORB, Remote Filter

Sauer Danfoss H1
44 pages
Print Icon
To Next Page IconTo Next Page
To Next Page IconTo Next Page
To Previous Page IconTo Previous Page
To Previous Page IconTo Previous Page
Loading...
32
11063344 • Rev EA • Dec 2012
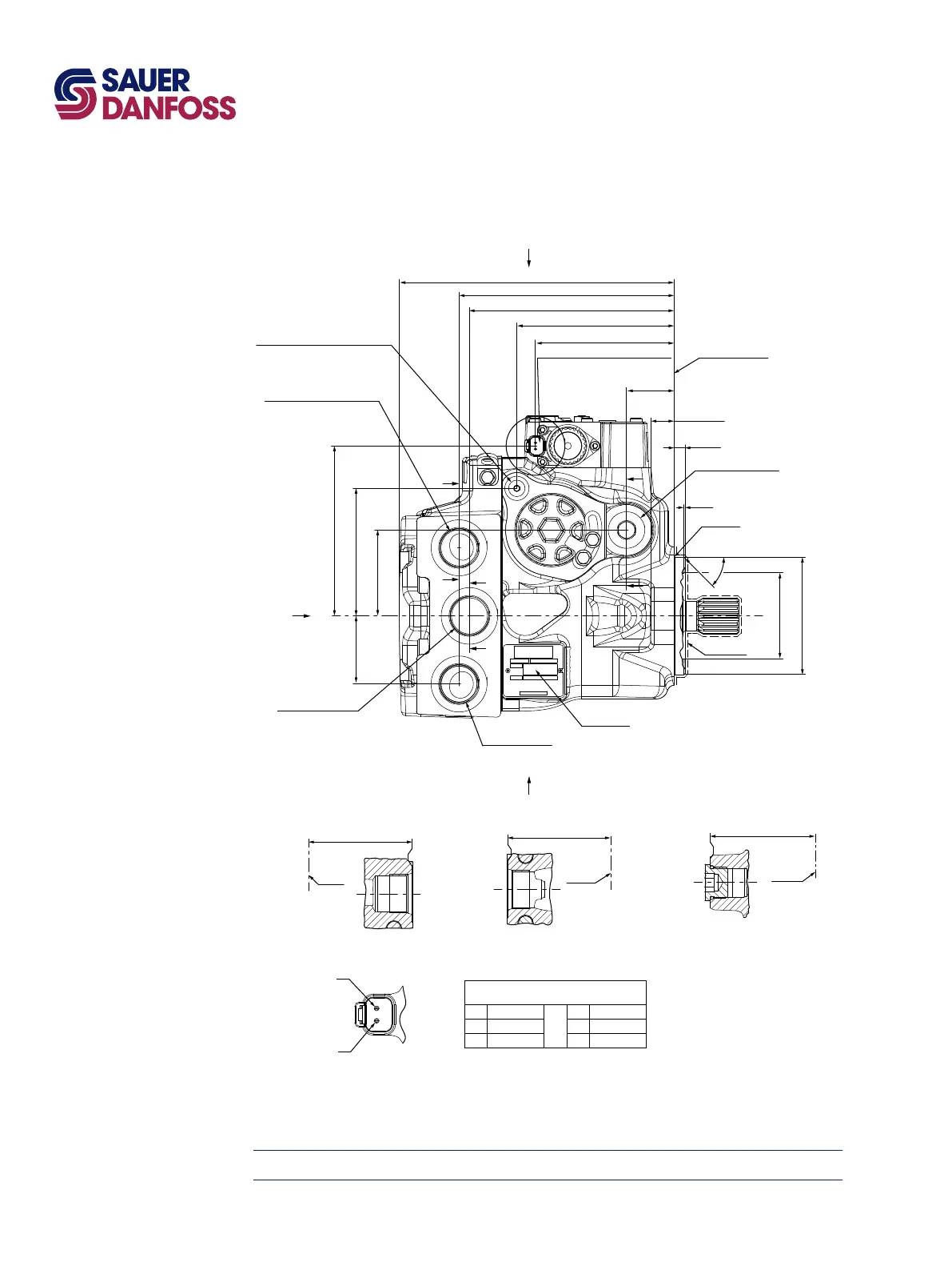
H1 Axial Piston Pump, Size 045/053, Single
Technical Information
Installation Drawings
Please contact Sauer-Danfoss for specic installation drawings
Dimensions
74.4 ±0.8
45°
±5°
101.6
0
-0.05
Paint free
R0.8 max
1 ±0.5
Case drain port "L4"
Port ISO 11926-1 - 1 1/16-12
9.7
0
-0.5
19.8 ±2.1
2x 120 ±1.2
Control solenoid connector "C2"
Deutsch DT04-2P
Paint free
See view W for pin out
177.3 ±1.2
186.3 ±1.2
238 ±2.5
Servo gauge port "M4"
Port ISO 11926-1 - 7/16-20
24.5 max clearance dia for tting
System port "B"
Port ISO 11926-1 - 1 5/16-12
2x 147.3 ±1.2
2x 59 ±0.8
Charge inlet port "S"
Port ISO 11926-1 - 1 5/16-12
System port "A"
Port ISO 11926-1 - 1 5/16-12
Name plate
Paint free
Mounting ange
Flange 101-2
Per ISO 3019-1 (SAE B)
2x 136.2 ±1.2
2x 110.5 ±1.2
41.1 ±0.8
74.38 min
P700 33 051-1
W
Z
X
Y
A
A
B
B
C
C
89.5 ±0.8
Shaft
A-A
(2x)
C
L
Shaft
C
L
Shaft
C
L
91.2 ±0.8
89.5 ±0.8
B-B
C-C
Twin port, ORB, remote lter
mm
Control solenoid
Connector C1 & C2
Pin Assignment
OR
Pin Assignment
1 Supply 1 Ground
2 Ground 2 Supply
T301 079
1
2
P301 320
W (2:1)

Table of Contents

Related product manuals