EasyManua.ls Logo

Schlage GF3000 - Preparing the Frame and Door; Establish Frame and Door Centerlines (Standard and TRD)

Schlage GF3000
20 pages
Print Icon
To Next Page IconTo Next Page
To Next Page IconTo Next Page
To Previous Page IconTo Previous Page
To Previous Page IconTo Previous Page
Loading...
GF3000 SERIES INSTALLATION MANUAL
Installing a GF3000 Series Lock
Installing a GF3000 Seri es Lock
Preparing the Frame and Door
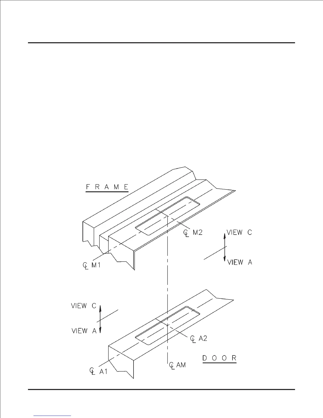
1) Establish Frame and Door Centerlines (Standard and TRD):
For proper operation, it’s critical to establish centerlines of magnet and armature assembly
that line up to form a vertical axis. The figure below shows the centerline scheme for a stan-
dard GF3000 and a GF3000TRD. Note that centerlines for magnet (M1 and M2) are directly
above centerlines for armature assembly (A1 and A2) thus forming a vertical axis (AM).
Check door & frame for any structural member or hardware component that might interfere
with magnet and armature mounting areas before selecting template location.
Remove existing hung doors for template application and armature installation.
The standard model GF3000 can be installed in a horizontal or vertical configuration.
To achieve maximum resistance to forced entry, position as follows:
> Horizontal configuration - position unit closest to the latch side of door.
> Vertical configuration - positioning unit closest to the strike plate is recommended.
In some applications, the door and frame may require reinforcement.
Page 6

Other manuals for Schlage GF3000

Related product manuals