EasyManua.ls Logo

Sharp AL-1642CS - Page 18

Sharp AL-1642CS
40 pages
Print Icon
To Next Page IconTo Next Page
To Next Page IconTo Next Page
To Previous Page IconTo Previous Page
To Previous Page IconTo Previous Page
Loading...
15
I
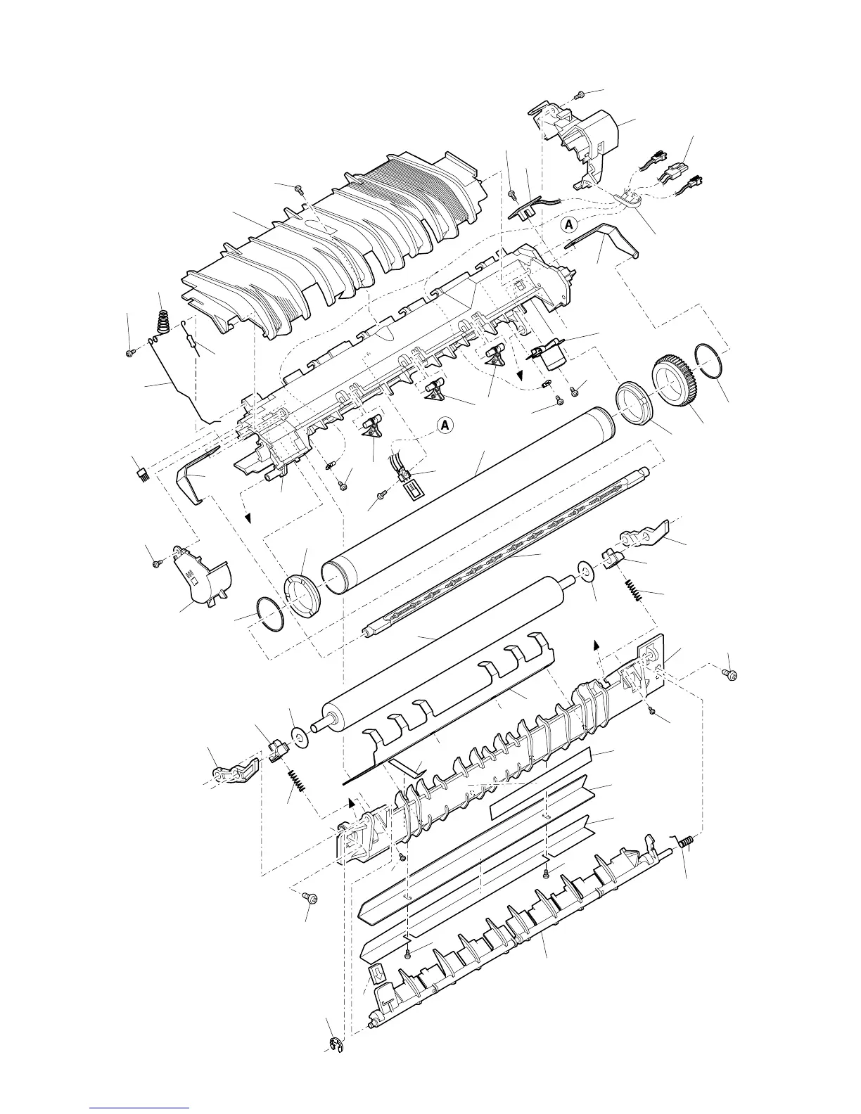
Fusing unit
31
4
40
PRP02723
1
2
5
6
7
8
8
8
9
10
11
12
11
13
14
15
16
17
18
19
20
21
22
23
24
25
26
27
18
20
26
24
25
28
29
30
31
32
34
35
36
36
37
38
39
41
41
41
41
41
33
42
42
43
3

Other manuals for Sharp AL-1642CS

Related product manuals