EasyManua.ls Logo

Sharp PC-1600 - Page 55

Sharp PC-1600
118 pages
Print Icon
To Next Page IconTo Next Page
To Next Page IconTo Next Page
To Previous Page IconTo Previous Page
To Previous Page IconTo Previous Page
Loading...
-
__
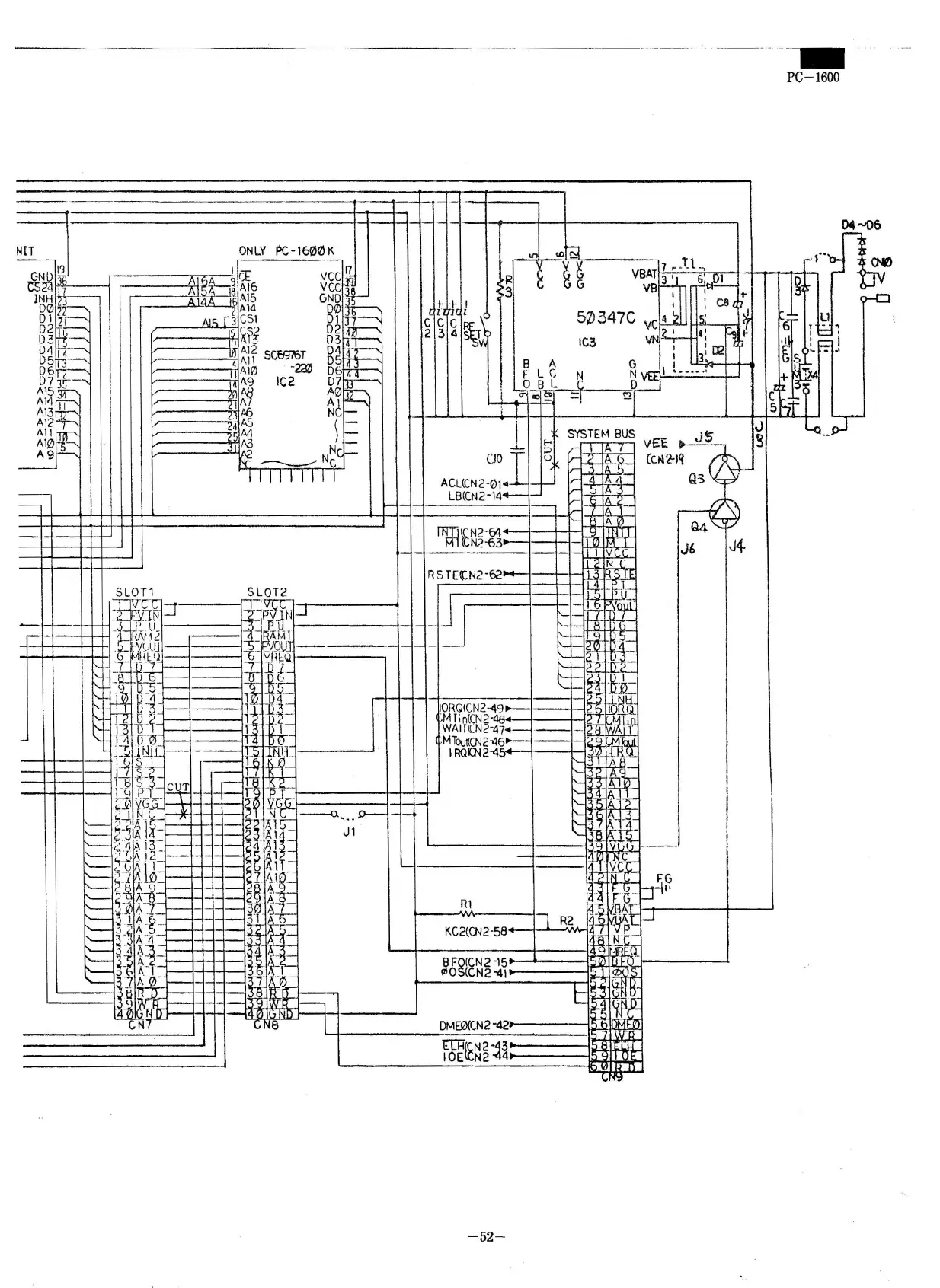
PC-l600
-~
....,
tli
I
ONLY
Pc-1600K
I
I
1-
I
-
-52-
l
J

Table of Contents

Related product manuals