EasyManua.ls Logo

Sharp UX-B700 - Answering Machine Connection; Connecting an Answering Machine

Sharp UX-B700
138 pages
Print Icon
To Next Page IconTo Next Page
To Next Page IconTo Next Page
To Previous Page IconTo Previous Page
To Previous Page IconTo Previous Page
Loading...
UX-B700U
FO-B1600U
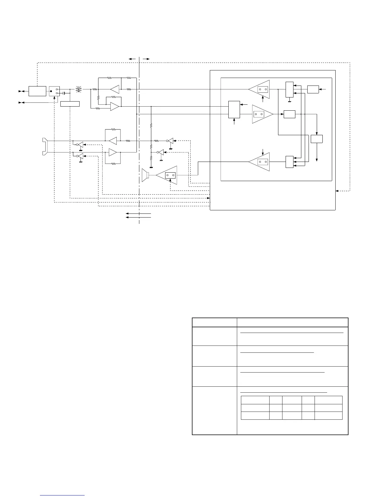
[3] Circuit description of TEL/LIU PWB
(1) TEL/LIU block operational description
1) Block diagram
2) Circuit description
The TEL/LIU PWB is composed of the following 7 blocks.
1. Speech circuit section
2. Dial transmission section
3. Speaker amplifier section
4. Ringer circuit section
5. CI detection circuit
6. Signal/DTMF transmission level & receiving level
7. External phone off-hook detection (HS) section
3) Block description
1. Speech circuit section
The receiver volume is an electronic volume type, this model is
switched in 3 steps.
2. Dial transmission section
D.P. transmission: The CML relay is turned on and off for control in
the DP calling system. (Refer to the attached sheet.)
DTMF transmission: It is formed in the modem, and is output.
3. Speaker amplifier section
Ringer volume :It is controlled by the combination of the
attenuator value of the LINE DRIVER in the
modem and the ringer sending level sent from
the modem.
Speaker volume :It is controlled by the attenuator value of the
LINE DRIVER in the modem.
4. Ringer circuit section
The ringer sound is formed in the tone of modem when CI signal is
detected. The amplifier circuit drives the speaker of the main body.
5. CI detection circuit
CI is detected by the photo coupler which is integrated in series in
the primary side TEL circuit well proven in the existing unit.
6. Signal/DTMF transmission level & receiving level
Signal transmission level setting: ATT -8 dB Circuit output: -11.5 dBm.
DTMF transmission level setting: HF -2.5 dBm LF -4.0 dBm
Thus, set the level.
Fig. 6
5 – 13
DAC
LPF
DAC
H
L
CI DETECTOR
HS
DETECTOR
SPEAKER
LINE
EXIT
+24VL
DG
CONTROL PWBTEL/LIU PWB
RX
TX
TEL MUTE
(H:MUTE)
Q102
IC101B
Q103
IC101D
IC101C
IC101A
IC8
0,1
0,0
1,0
1,1
RTLOOP
ADC
SIN
MIC
/LINE
SELECT
SP OUT
ENABLE
MIC ENABLE
(20438 I/A)
LINE IN ENABLE
LINE OUT ENABLE
0,20,25,30dB
LINE
SELECT
1,1
0,0
1,0
0,+4dB
SOUT
HS
SPKRP
MICP
LINEIN
LINE
OUT
MUTE,0,-6,-12dB
IC16 SCE214
FAX CONTROLLER
DTMFMUTE
RCVOL
SP MUTE
TEL MUTE
CI
CML
MIC MUTE
SPOUT
SP MUTE
(H:MUTE)
TEL IN
RXIN
TXOUT
MIC MUTE
(H:MUTE)
CML
SIGTX
SIGRX
0,6dB
HANDASET
7. External phone off-hook detection (HS) section
Line current detection will be switched to ON (LOW) when the main
unit or the external phone is off the hook. When the HS signal is turned
on at CML OFF, the external phone is considered to be off the hook
and, at CML ON, the HS signal is constantly turned on (if connected).
4) Signal selection
The following signals are used to control the transmission line of TEL/
FAX signal. For details, refer to the signal selector matrix table.
[Control signals from output port]
Signal Name Description
CML Line connecting relay and DP generating relay
(The circuit is located H: Line make
in the TEL/LIU PWB.) L: Line break
SP MUTE Speaker tone mute control signal
(The circuit is located H: Muting (Power down mode)
in the control PWB.) L: Muting cancel (Normal operation)
Handset reception mute control signal
TELMUTE H: Muting
L: Muting cancel
Handset receiver volume control signal
RCVOL
DTMFMUTE
(The circuit is located
in the control PWB.)
Note: The DTMF sending listed above is DTMF signal
sending in the handset OFF-HOOK mode.
Volume High Middle Low
DTMF sending
RCVOL
LHH H
DTMFMUTE L L H H

Other manuals for Sharp UX-B700

Related product manuals