EasyManua.ls Logo

Shibaura CM284 - Page 154

Shibaura CM284
219 pages
Print Icon
To Next Page IconTo Next Page
To Next Page IconTo Next Page
To Previous Page IconTo Previous Page
To Previous Page IconTo Previous Page
Loading...
153
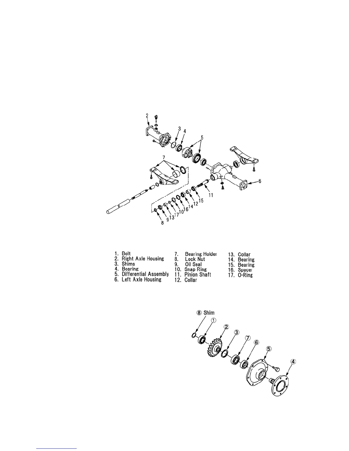
Reference – Figure 605X.
7. Remove the bolts (1) on the right side housing and remove the housing (2) and drive shaft (3) as an assembly.
NOTE: Note the total amount of the shims (3) and thickness used between differential bearing (4) and right axle
housing (2).
8. Remove the differential assembly (5) from the left axle housing (6).
9. Remove the bearing holder (7). Remove the lock nut (8) and pry the oil seal (9) and discard.
10. Remove the snap ring (10) and draw out the drive pinion (11), collars (12 and 13) and bearings (14 and 15) as a set.
NOTE: If necessary, remove the bearings (14 and 15), collars (12 and 13), O-ring (17) and spacer (16) from the
pinion shaft (11).
605X
Reference – Figure 606X.
11. Remove the bearing (1) and final gear (2) .
12. Remove the snap ring (3) and drive out the wheel
shaft (4) from the case cover (5).
13. If necessary, remove the oil seal (6) and bearing (7)
from the case cover (5).
606X

Table of Contents

Other manuals for Shibaura CM284

Related product manuals