Home
Siemens
Relays
3TK28
Page 117
Siemens 3TK28 - Page 117
206 pages
Manual
Save Page as PDF
To Next Page
To Next Page
To Previous Page
To Previous Page
Loading...
Des
cript
ion of t
he individual saf
et
y relays
3.7
3T
K28
safet
y relay
s
with s
olid
-
stat
e enabling circuits
3TK
28 s
af
et
y r
elay
s
Manu
al
,
0
7/
2016
,
N
EB
92
61
575
02
00
0/RS
-
AB/00
3
117
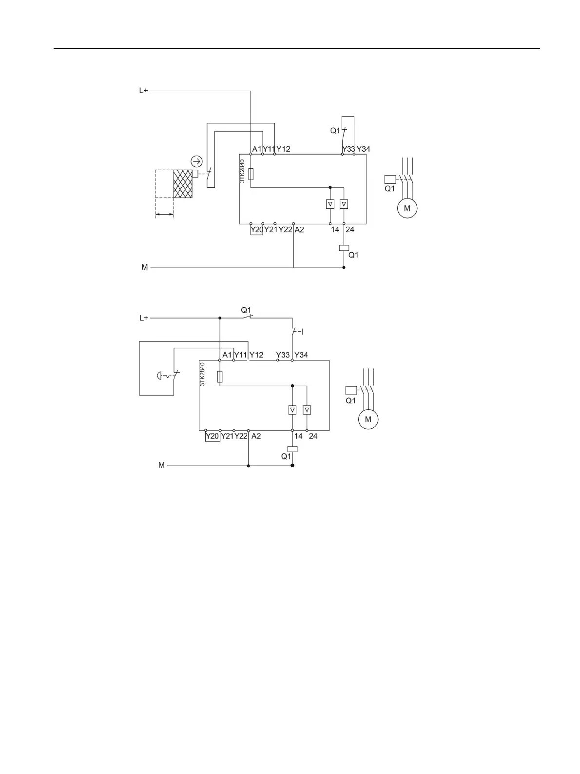
Figure
3-
46
Autostart (1
-
channel)
Figure
3-
47
Monitored s
tart (1
-
chan
nel)
116
118
Table of Contents
Main Page
Table of Contents
3
Introduction
7
Purpose of this Manual
7
Required Basic Knowledge
7
Validity Range
7
Definitions
8
User Responsibility for System Design and Function
8
Product-Specific Safety Information
9
Intended Use
9
Current Information about Operational Safety
10
Declaration of Conformity
10
General Safety Notes
11
Safety Information for Hazardous Areas
12
Description of the Individual Safety Relays
13
Introduction
13
Overview
14
General Technical Data
18
Cable Lengths
19
General Information about Enabling and Signaling Circuits
20
3TK28 Safety Relays with Relay Enabling Circuits
21
3TK2810-0 Safety Relay
21
Applications
21
Description of Function and Connection Information
21
Structure of the 3TK2810-0
23
Terminal Assignment
23
Display of the Operating State
24
State Diagram 3TK2810-0
25
Technical Data 3TK2810-0
26
Connection Examples 3TK2810-0
31
3TK2820 Safety Relay
33
Applications
33
Description of Function and Connection Information
33
Structure 3TK2820
34
Terminal Assignment
34
Display of the Operating State
35
Installation 3TK2820
36
Connection 3TK2820
38
Technical Data 3TK2820
42
Connection Examples 3TK2820
45
3TK2822 / 3TK2823 Safety Relays
47
Applications
47
Description of Function
47
Connection Advice
47
Structure 3TK2822/23
48
Terminal Assignment
48
Display of the Operating State
49
State Diagrams 3TK2822 / 3TK2823
50
Technical Data 3TK2822 / 3TK2823
51
Connection Examples 3TK2822 / 3TK2823
54
3TK2821 / 3TK2824 Safety Relays
55
Applications
55
Description of Function and Connection Information
55
Structure 3TK2821/24
56
Terminal Assignment
56
Display of the Operating State
57
State Diagrams 3TK2821 / 3TK2824
57
Technical Data 3TK2821 / 3TK2824
58
Connection Examples 3TK2821 / 3TK2824
61
3TK2824-.A.20 Safety Relay
64
Applications
64
Description of Function and Connection Information
64
Structure 3TK2824-.A.20
65
Terminal Assignment
65
Display of the Operating State
66
State Diagrams 3TK2824-.A.20
66
Technical Data 3TK2824-.A.20
67
Connection Examples 3TK2824-.A.20
70
3TK2825 Safety Relay
72
Applications
72
Description of Function and Connection Information
72
Commissioning
72
Structure 3TK2825
73
Terminal Assignment
73
Display of the Operating State
74
State Diagrams 3TK2825
75
Technical Data 3TK2825
76
Connection Examples 3TK2825
79
3TK2827 / 3TK2828 Safety Relays
82
Applications
82
Description of Function and Connection Information
82
Structure 3TK2827/28
84
Terminal Assignment
84
Display of the Operating State
85
State Diagrams 3TK2827 / 3TK2828
86
Technical Data 3TK2827 / 3TK2828
87
Connection Examples 3TK2827 / 3TK2828
93
3TK2830 Expansion Unit
96
Applications
96
Description of Function and Connection Information
96
Structure 3TK2830
97
Terminal Assignment
97
Display of the Operating State
98
State Diagrams 3TK2830
98
Technical Data 3TK2830
99
Connection Examples 3TK2830
102
3TK2834 Two-Hand Control Device
103
Applications
103
Description of Function and Connection Information
103
Structure 3TK2834
104
Terminal Assignment
104
Display of the Operating State
105
Technical Data 3TK2834
106
Connection Example
109
3TK28 Safety Relays with Solid-State Enabling Circuits
110
3TK2840 Safety Relay
110
Applications
110
Description of Function and Connection Information
110
Structure 3TK2840
111
Terminal Assignment
111
Display of the Operating State
112
State Diagrams 3TK2840
113
Technical Data 3TK2840
114
Connection Examples 3TK2840
116
3TK2841 Safety Relay
118
Applications
118
Description of Function and Connection Information
118
Structure 3TK2841
119
Terminal Assignment
119
Display of the Operating State
120
State Diagrams 3TK2841
121
Technical Data 3TK2841
122
Connection Examples 3TK2841
124
3TK2842 Safety Relay
127
Applications
127
Description of Function and Connection Information
127
Structure 3TK2842
128
Terminal Assignment
128
Display of the Operating State
129
State Diagrams 3TK2842
130
Technical Data 3TK2842
131
Connection Examples 3TK2842
133
3TK28 Safety Relays with Contactor Relay Enabling Circuits
136
3TK2805 / 3TK2806 Safety Relays
136
Applications
136
Description of Function and Connection Information
136
Structure 3TK2805/06
137
Terminal Assignment
137
Display of the Operating States
138
State Diagrams 3TK2805 / 3TK2806
138
Technical Specifications 3TK2805/ 3TK2806
139
Connection Examples 3TK2805/ 3TK2806
140
3TK2850 / 3TK2851 / 3TK2852 Safety Relay
142
Applications
142
Description of Function and Connection Information
142
Structure 3TK285
143
Terminal Assignment
144
Display of the Operating State
145
State Diagrams 3TK2850 / 3TK2851 / 3TK2852
146
Technical Data 3TK2850 / 3TK2851 / 3TK2852
147
Connection Examples 3TK2850 / 3TK2851 / 3TK2852
156
3TK2853 Safety Relay
158
Applications
158
Description of Function and Connection Information
158
Structure 3TK2853
159
Terminal Assignment
160
Display of the Operating State
161
State Diagrams 3TK2853
162
Technical Data 3TK2853
163
Connection Examples 3TK2853
166
3TK2856 / 3TK2857 Safety Relays
171
Applications
171
Description of Function and Connection Information
171
Structure 3TK2856/57
172
Terminal Assignment
173
Display of the Operating State
174
State Diagrams 3TK2856 / 3TK2857
175
Technical Data 3TK2856 / 3TK2857
176
Connection Examples 3TK2856 / 3TK2857
179
Mounting
183
Warning Notices
183
Mounting the Device on a DIN Rail
184
Mounting the Device on a Level Surface
185
Disassembling the Device
186
Connection
189
Connection Data for Terminal Blocks
189
Connecting Terminal Blocks
190
Disconnecting
192
Plugging in Terminal Blocks
194
Dimension Drawings
195
Dimension Drawings 3TK28
195
Accessories
205
Related product manuals
Siemens 3TK2806
16 pages
Siemens 3TK2805
16 pages
Siemens SIRIUS 3TK2822
9 pages
Siemens SIRIUS 3TK2821
18 pages
Siemens SIRIUS 3TK2820
22 pages
Siemens Sirius 3TK2826
70 pages
Siemens SIRIUS 3TK2828
19 pages
Siemens SIRIUS 3TK2824
18 pages
Siemens SIRIUS 3TK2822-1CB30
16 pages
Siemens SIRIUS 3TK2823-1CB30
16 pages
SIRIUS 3TK2824 A.20 Series
16 pages
SIRIUS 3TK2826- 1/2/4 Series
26 pages