EasyManua.ls Logo

Siemens 3TK28 - Connection Examples 3 TK2825

Siemens 3TK28
206 pages
Print Icon
To Next Page IconTo Next Page
To Next Page IconTo Next Page
To Previous Page IconTo Previous Page
To Previous Page IconTo Previous Page
Loading...
Description of the individual safety relays
3.6 3TK28 safety relays with relay enabling circuits
3TK28 safety relays
Manual, 07/2016, NEB926157502000/RS-AB/003
79
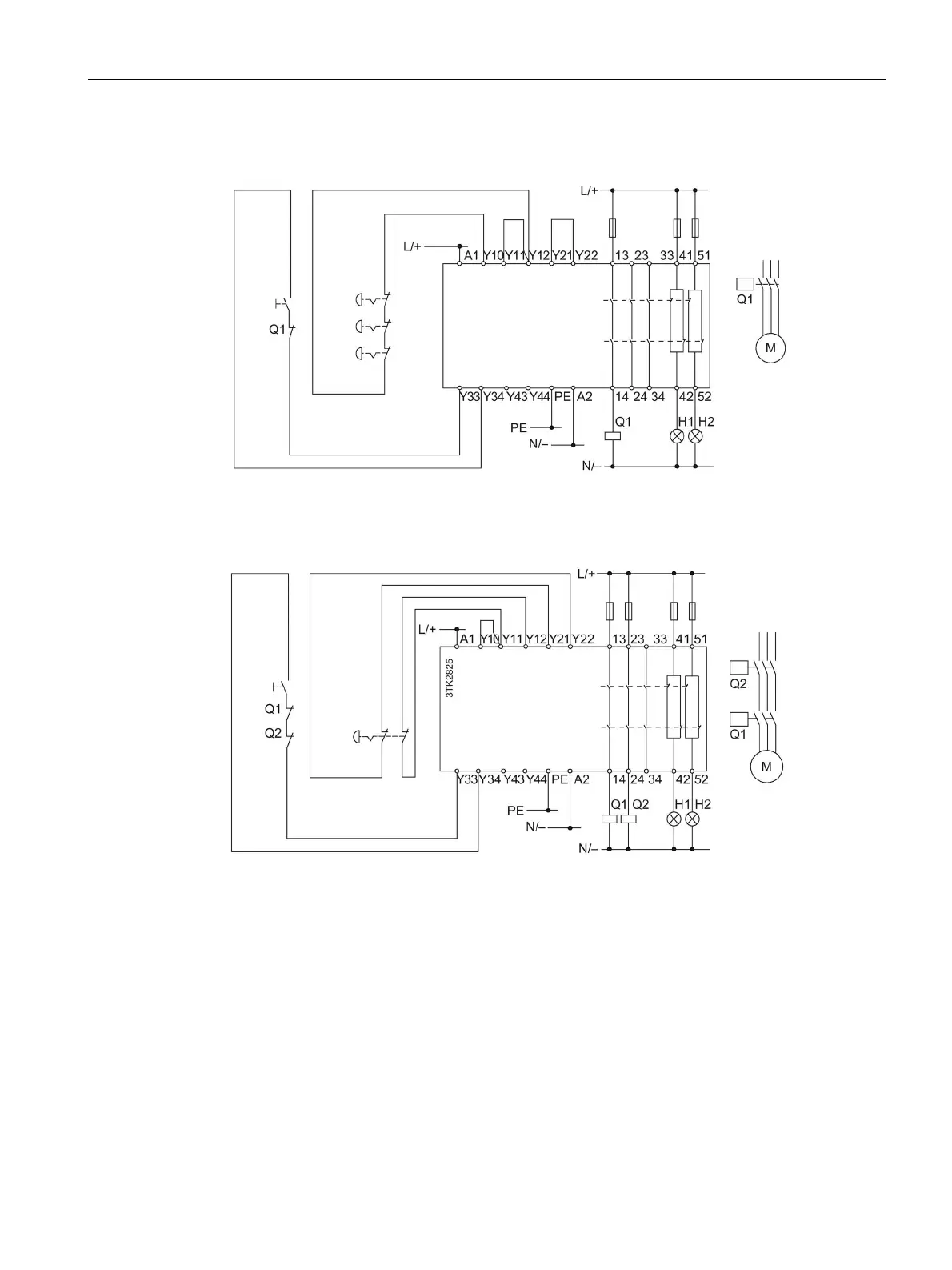
3.6.6.9
Connection examples 3TK2825
Figure 3-26 Monitored start (1-channel)
Figure 3-27 Monitored start (2-channel)

Table of Contents

Related product manuals