EasyManua.ls Logo

Siemens 3TK28 - Page 62

Siemens 3TK28
206 pages
Print Icon
To Next Page IconTo Next Page
To Next Page IconTo Next Page
To Previous Page IconTo Previous Page
To Previous Page IconTo Previous Page
Loading...
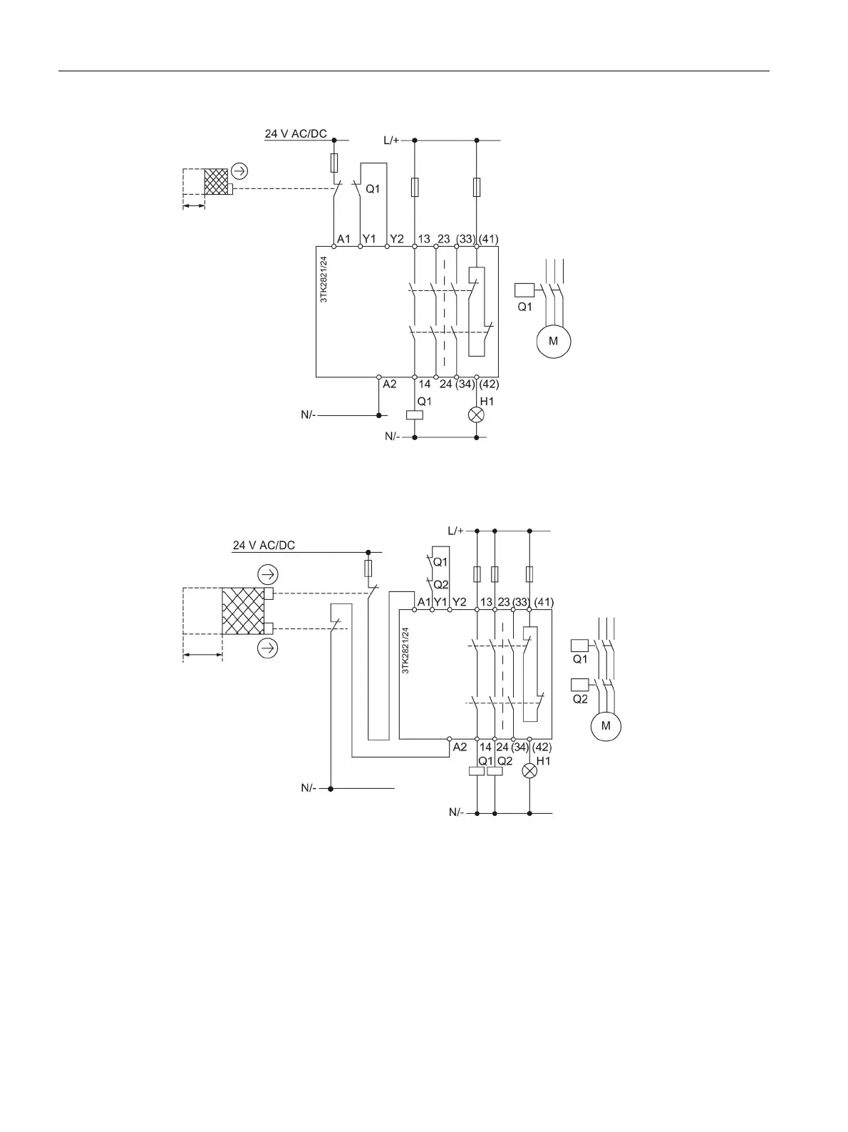
Description of the individual safety relays
3.6 3TK28 safety relays with relay enabling circuits
3TK28 safety relays
62 Manual, 07/2016, NEB926157502000/RS-AB/003
Figure 3-17 Protective door monitoring (1-channel)
Figure 3-18 Protective door monitoring (2-channel)

Table of Contents

Related product manuals