EasyManua.ls Logo

Siemens 6RA8018-6DV62

Siemens 6RA8018-6DV62
758 pages
To Next Page IconTo Next Page
To Next Page IconTo Next Page
To Previous Page IconTo Previous Page
To Previous Page IconTo Previous Page
Loading...
Connecting
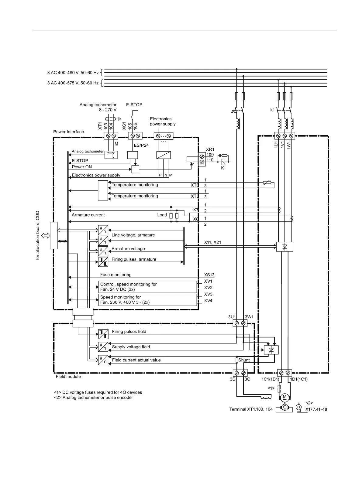
6.3 Block diagram with connection suggestion
SINAMICS DCM DC Converter
Operating Instructions, 12/2018, A5E34763375A
117
60 to 125 A devices
Figure 6-19 Block diagram for 60 to 125 A devices

Table of Contents

Related product manuals