EasyManua.ls Logo

Siemens 6RA8018-6DV62

Siemens 6RA8018-6DV62
758 pages
To Next Page IconTo Next Page
To Next Page IconTo Next Page
To Previous Page IconTo Previous Page
To Previous Page IconTo Previous Page
Loading...
Connecting
6.4 Power connections
SINAMICS DCM DC Converter
Operating Instructions, 12/2018, A5E34763375A
125
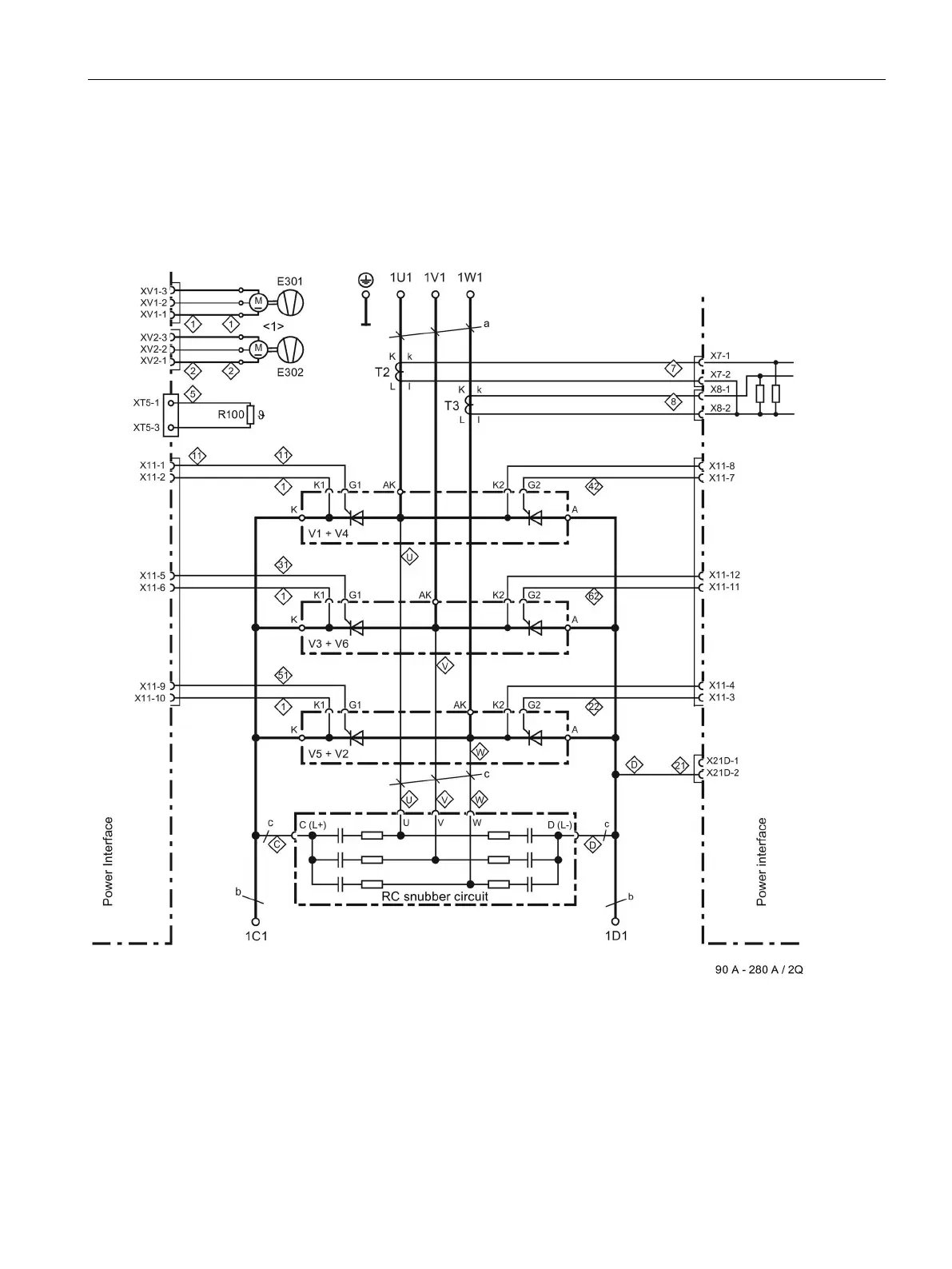
90 to 280 A/2Q devices
6RA8028-6DS22-0AA0, 6RA8028-6FS22-0AA0, 6RA8031-6DS22-0AA0,
6RA8031-6FS22-0AA0, 6RA8031-6GS22-0AA0, 6RA8075-6DS22-0AA0,
6RA8075-6FS22-0AA0, 6RA8075-6GS22-0AA0, 6RA8078-6DS22-0AA0,
6RA8078-6FS22-0AA0
<1> Fan configuration for devices of 210 A and above
a = 20 x 3 mm, b = 20 x 5 mm
Figure 6-26 Power connections for 90 to 280 A/2Q devices

Table of Contents

Related product manuals