EasyManua.ls Logo

Siemens 6RA8085-6DS22

Siemens 6RA8085-6DS22
758 pages
To Next Page IconTo Next Page
To Next Page IconTo Next Page
To Previous Page IconTo Previous Page
To Previous Page IconTo Previous Page
Loading...
Connecting
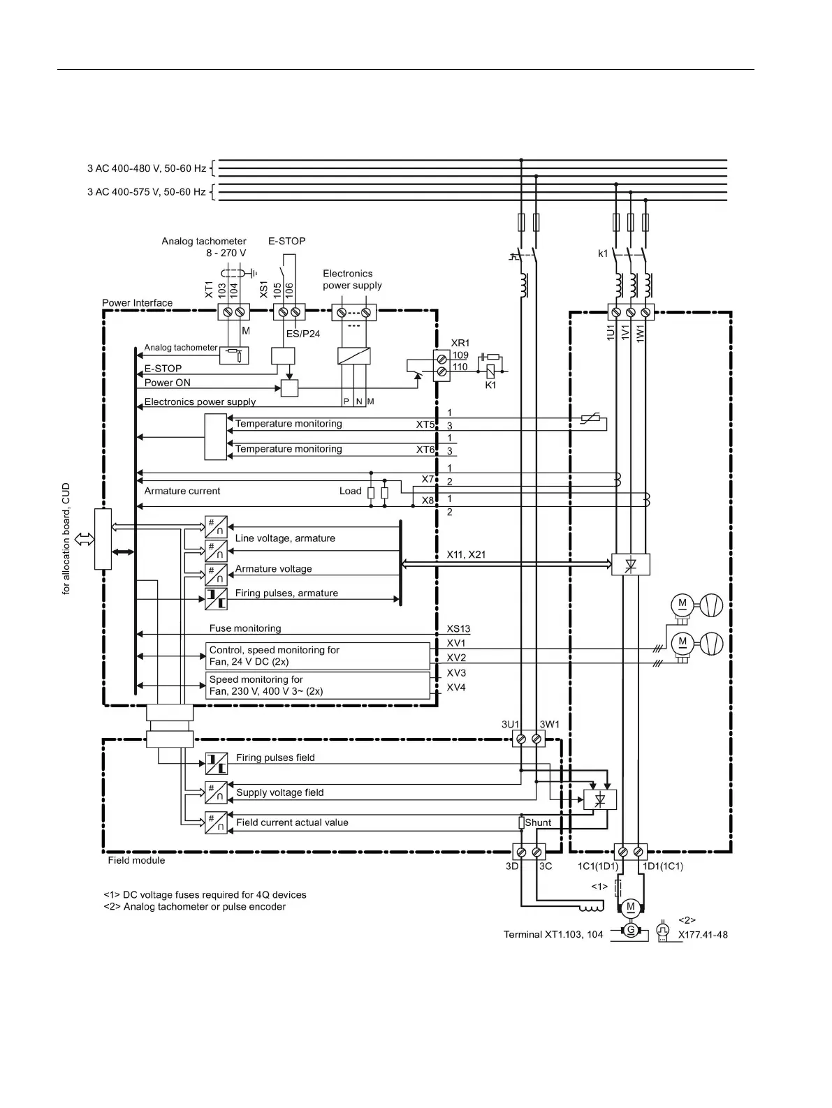
6.3 Block diagram with connection suggestion
SINAMICS DCM DC Converter
118 Operating Instructions, 12/2018, A5E34763375A
210 to 280 A devices
Figure 6-20 Block diagram for 210 to 280 A devices

Table of Contents

Related product manuals