EasyManua.ls Logo

Siemens 6RA8085-6DS22

Siemens 6RA8085-6DS22
758 pages
To Next Page IconTo Next Page
To Next Page IconTo Next Page
To Previous Page IconTo Previous Page
To Previous Page IconTo Previous Page
Loading...
Connecting
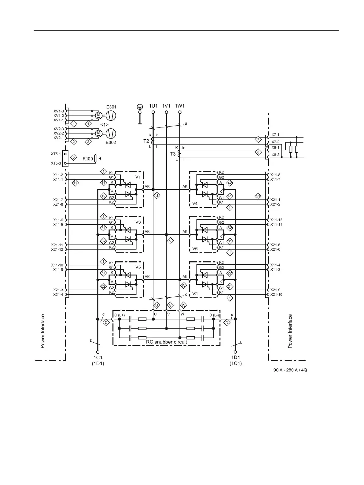
6.4 Power connections
SINAMICS DCM DC Converter
Operating Instructions, 12/2018, A5E34763375A
133
90 to 280 A/4Q devices
6RA8028-6DV62-0AA0, 6RA8028-6FV62-0AA0, 6RA8031-6DV62-0AA0,
6RA8031-6FV62-0AA0, 6RA8031-6GV62-0AA0, 6RA8075-6DV62-0AA0,
6RA8075-6FV62-0AA0, 6RA8075-6GV62-0AA0, 6RA8078-6DV62-0AA0,
6RA8078-6FV62-0AA0
<1> Fan configuration for devices of 210 A and above
a = 20 x 3 mm, b = 20 x 5 mm
Figure 6-34 Power connections for 90 to 280 A/4Q devices

Table of Contents

Related product manuals