EasyManua.ls Logo

Siemens 6RA8085-6DS22

Siemens 6RA8085-6DS22
758 pages
To Next Page IconTo Next Page
To Next Page IconTo Next Page
To Previous Page IconTo Previous Page
To Previous Page IconTo Previous Page
Loading...
Connecting
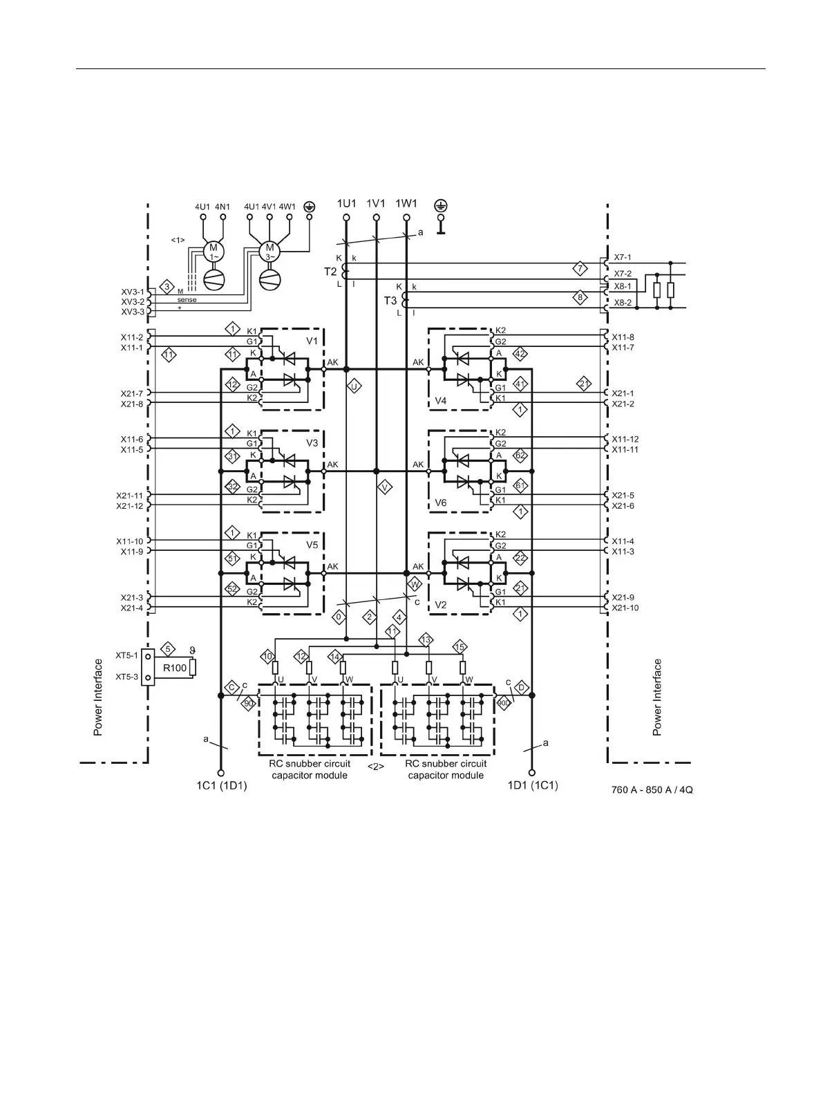
6.4 Power connections
SINAMICS DCM DC Converter
Operating Instructions, 12/2018, A5E34763375A
135
760 to 850 A/4Q devices
6RA8086-6KV62-0AA0, 6RA8087-6DV62-0AA0, 6RA8087-6FV62-0AA0,
6RA8087-6GV62-0AA0
a = 60 x 5 mm
<1> Fan with single-phase connection for devices with option L21
<2> TSE capacitor module connections:
760 A devices:
U = 91
V = 99
W = 98
C, D = 90
850 A devices:
U = 92
V = 93
W = 94
C, D = 90
Figure 6-36 Power connections for 760 to 850 A/4Q devices

Table of Contents

Related product manuals