EasyManua.ls Logo

Siemens 6RA8085-6DS22

Siemens 6RA8085-6DS22
758 pages
To Next Page IconTo Next Page
To Next Page IconTo Next Page
To Previous Page IconTo Previous Page
To Previous Page IconTo Previous Page
Loading...
Functional safety
13.5 Application examples
SINAMICS DCM DC Converter
Operating Instructions, 12/2018, A5E34763375A
721
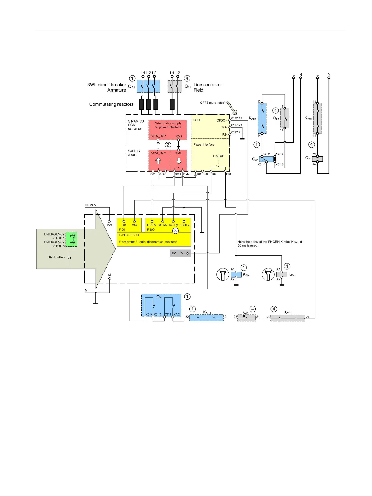
SS1 application with circuit breaker and F-PLC
First channel (blue): Circuit breaker (3WL) armature + armature auxiliary contactor
Second channel (red): Firing pulse circuit, SAFETY circuit
Safety components (yellow)
Contact blocks for field excitation (gray): Line contactor field + field auxiliary contactor (also as the field contactor is
usually controlled as well)
Figure 13-8 SS1 application with circuit breaker and F-PLC

Table of Contents

Related product manuals