EasyManua.ls Logo

Siemens SPC3 - Page 29

Siemens SPC3
68 pages
Print Icon
To Next Page IconTo Next Page
To Next Page IconTo Next Page
To Previous Page IconTo Previous Page
To Previous Page IconTo Previous Page
Loading...
SPC3 PROFIBUS Interface Center
SPC3 Hardware Description V1.3 Page 27
Copyright (C) Siemens AG 2003 All rights reserved. 2003/04
D N
U
D N
U
D U
Dout-buffer
Din-buffer
Diagnostics-
buffer
Read-
Config-
buffer
Config-
buffer
SSA-buffer
Param-
buffer
User
Aux1/2-buffer
Aux1/2-buffer
UART
N- U is changed by the userD-Nis changed by SPC 3
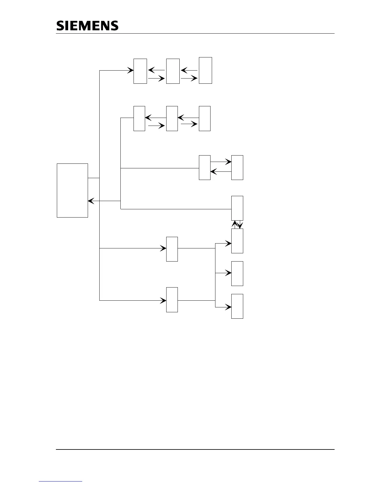
Figure 6.1: DP_SAP Buffer Structure
Data exchanged with the corresponding target buffer (SSA buffer, Prm buffer, and Cfg buffer). Each of the
buffers to be exchanged must have the same length. The user defines which Aux_buffers are to be used
for the above-named telegrams in the ‘R_Aux_Puf_Sel’ parameter cell. The Aux- buffer1 must always be
available. The Aux-buffer2 is optional. If the data profiles of these DP telegrams are very different, such as
the data amount in the Set_Param telegram is significantly larger than for the other telegrams, it is
suggested to make an Aux-Buffer2 available (Aux_Sel_Set_Param = 1) for this telegram. The other
telegrams are then read via Aux-Buffer 1 (Aux_Sel_..=0). If the buffers are too small, SPC3 responds with
“no resources”!

Table of Contents

Related product manuals