EasyManua.ls Logo

Skyjack SJ4732 - Hydraulic Schematics - SJ3220;26 ANSI;CSA

Skyjack SJ4732
177 pages
Print Icon
To Next Page IconTo Next Page
To Next Page IconTo Next Page
To Previous Page IconTo Previous Page
To Previous Page IconTo Previous Page
Loading...
A B C D E F G H
V
Z
Y
X
W
76
SJ3220, SJ3226, SJ4720, SJ4726, SJ4732 223198ABA
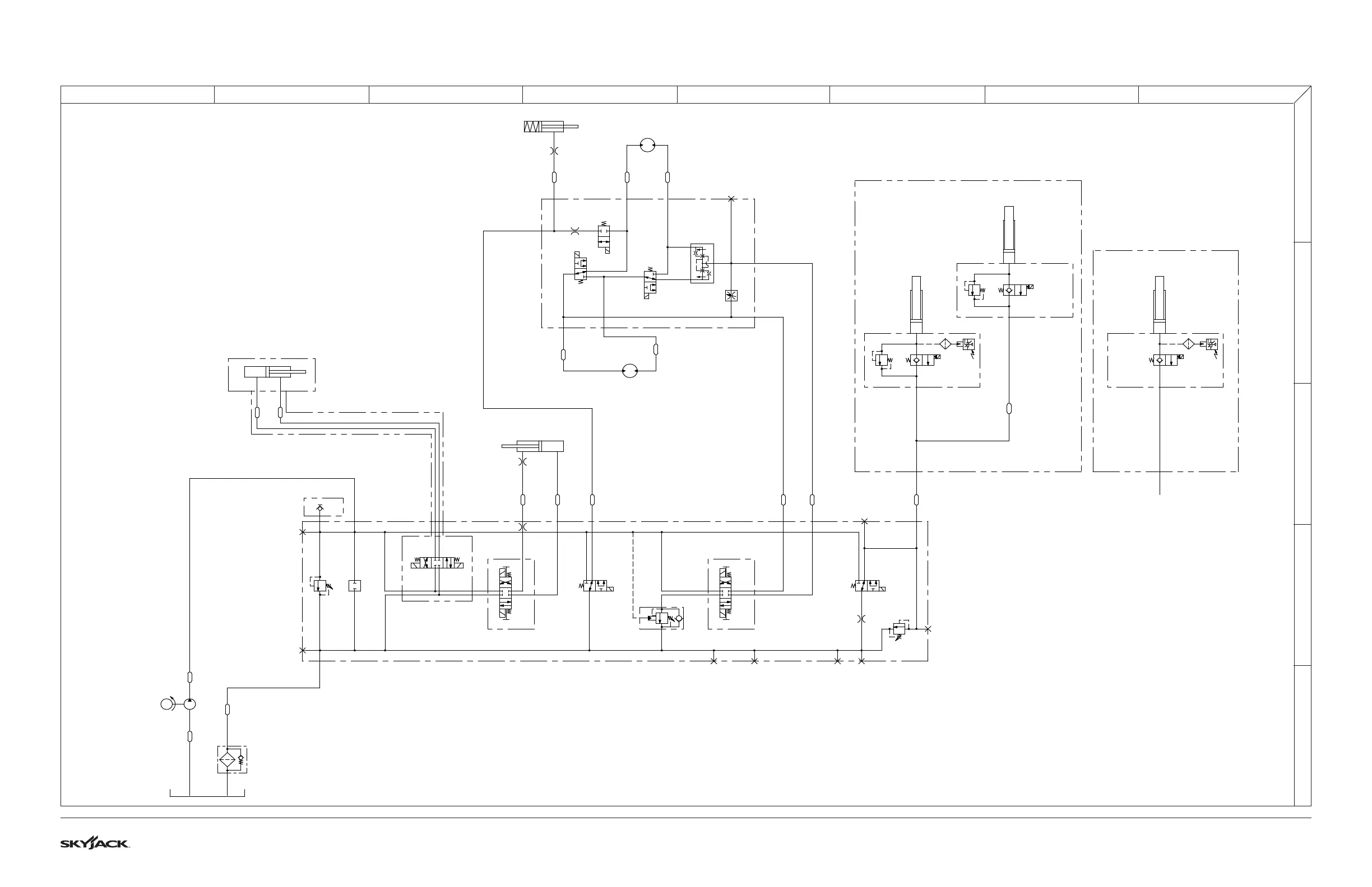
3.28 Hydraulic Schematics - SJ3220/26 ANSI/CSA
M216186AD
T
B
P
A
P
A
T
B
4H-24A
LEFT
4H-23A
RIGHT
R1
RELIEF
VALVE
3250 psi
3H-17
BRAKE
RELEASE
3H-14
LIFT
R2
RELIEF
VALVE
CB1
4000 PSI
10:1
4H-16
FORWARD
4H-15
REVERSE
MB1 MAIN MANIFOLD
SAE 08
P1
SYSTEM PUMP
(3.59 CC / 0.219 CIR)
F1
FILTER
SAE 12 SAE 06
C1
STEERING
CYLINDER
O1
.040"
SAE 06
SAE
06
SAE
06
SAE
06
A=REVERSE
B=FORWARD
AB
M1
LEFT
DRIVE
MOTOR
SAE 06
SAE
06
A
M2
RIGHT
DRIVE
MOTOR
A=FORWARD
B=REVERSE
B
SAE 06
SAE
06
C2
LOWER LIFT
CYLINDER
2H-13-1
PT1
PRESSURE
TRANSDUCER
MB4
HOLDING
MANIFOLD
SAE 06
C3
UPPER LIFT
CYLINDER
2H-13-2
MB3
HOLDING
MANIFOLD
SAE 04
R4
RELIEF
VALVE
R3
RELIEF
VALVE
3H-18A-1
SPEED
VALVE B
3H-18A-2
SPEED
VALVE A
2H-18A
DIFFERENTIAL
VALVE
O3
.040"
FD1
FLOW
DIVIDER
COMBINER
V1
FREE-WHEEL
VALVE
MB2 DRIVE MANIFOLD
SAE 06
2H-13-1
PT1
PRESSURE
TRANSDUCER
MB5
HOLDING
MANIFOLD
SN1
SNUBBER
C2
LOWER LIFT
CYLINDER
P
A
T
B
4H-26
PLAF
EXTEND
4H-27
PLAF
RETRACT
O6
.051"
C4
BRAKE
CYLINDER
C5
POWER DECK
CYLINDER
QD1
OPTION
SN1
SNUBBER
PORT
PLUGGED
O4
.081"
O5
.106"
SAE 06
SAE
04
SAE
04
O2
.031"
3226
3220
M
13
2
13
2
Stroke
Bore
3.998
37.321
Stroke
Bore
4.0
49.06
2
1
2
1
Bore
Rod
Stroke
1.5
0.75
4.87
1
2
3
4
2
2
1
SAE 6
FRONT LEFT SAE 6
SAE 6
REAR LEFT SAE 6
FRONT RIGHT SAE 6 REAR RIGHT SAE 6
13
2
13
2
SAE 6
Stroke
Bore
3.998
37.321
Bore
Rod
Stroke
1.5
0.75
2.37
Bore
Rod
Stroke
1.502
1
69.13

Table of Contents

Other manuals for Skyjack SJ4732

Related product manuals