EasyManua.ls Logo

Sony CFD-S22 - SCHEMATIC DIAGRAM - PRE SECTION

Sony CFD-S22
68 pages
Print Icon
To Next Page IconTo Next Page
To Next Page IconTo Next Page
To Previous Page IconTo Previous Page
To Previous Page IconTo Previous Page
Loading...
– 31 – – 32 –
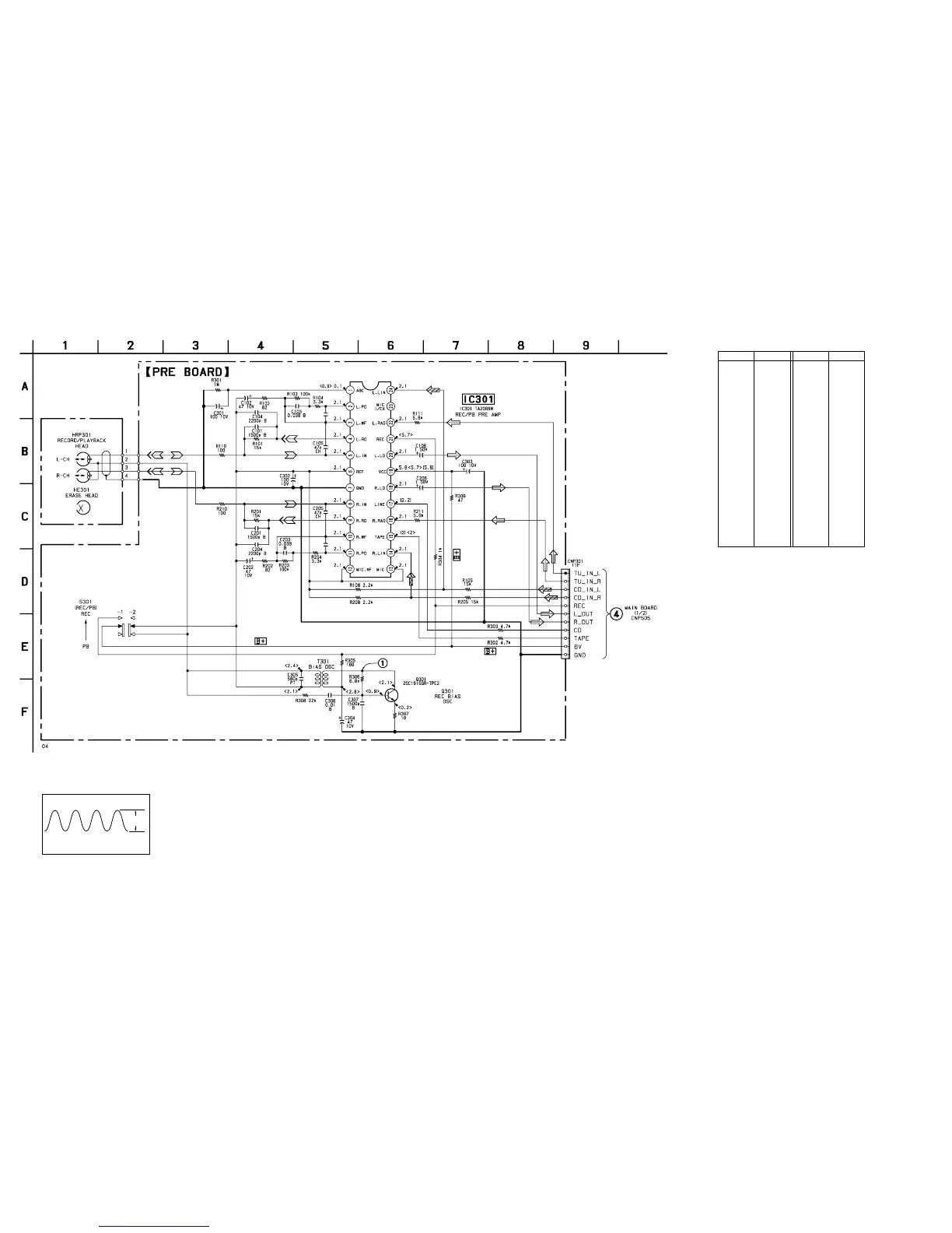
6-9. SCHEMATIC DIAGRAM — PRE SECTION — • Refer to page 48 for IC Block Diagrams.
Note on Schematic Diagram:
All capacitors are in µF unless otherwise noted. pF: µµF
50 WV or less are not indicated except for electrolytics
and tantalums.
All resistors are in and
1
/
4
W or less unless otherwise
specified.
C : panel designation.
U : B+ Line.
Power voltage is dc 9V and fed with regulated dc power
supply from battery terminal.
Voltage and waveforms are dc with respect to ground
under no-signal (detuned) conditions.
no mark : FM
( ) : PB
< > : REC
[ ] : CD STOP
Voltages are taken with a VOM (Input impedance 10 M).
Voltage variations may be noted due to normal produc-
tion tolerances.
Signal path.
F : FM
E : PB
a : REC
J : CD
Abbreviation
AR : Argentina model
AUS : Australian model
CND : Canadian model
E4 : AC 110-120V/220-240V area in E model
E92 : AC 120V area in E model
MX : Mexican model
SP : Singapore model
JE : Tourist model
Note on Printed Wiring Boards:
X : parts extracted from the component side.
x : parts mounted on the conductor side.
b : Pattern from the side which enables seeing.
Abbreviation
AR : Argentina model
AUS : Australian model
CND : Canadian model
E4 : AC 110-120V/220-240V area in E model
E92 : AC 120V area in E model
MX : Mexican model
SP : Singapore model
JE : Tourist model
CFD-S22/S32
(Page 35)
Q124 G-12
Q221 E-11
Q222 E-11
(Q223) F-11
Q224 G-12
Q301 B-2
Q501 D-8
Q502 D-8
Q503 E-8
Q504 E-8
Q505 I-8
Q506 E-8
Q507 I-8
(Q509) E-7
Q510 D-9
Q511 D-7
Q512 D-7
Q513 B-9
Q514 C-8
Q952 D-13
Q953 D-13
Q955 D-12
Q957 C-13
Q997 B-13
D322 G-11
D323 H-11
D324 B-10
(D506) E-7
(D507) E-7
(D508) E-8
D509 E-8
D510 E-8
D511 E-8
D953 E-13
D956 H-11
D957 C-13
IC301 C-3
IC302 E-10
IC304 F-12
IC501 H-9
IC502 H-10
IC503 I-8
IC504 G-7
Q121 E-12
Q122 E-11
(Q123) G-11
Semiconductor Location
Ref. No. Location
Ref. No. Location
( ) : CFD-S32 only
• Waveform
1
4Vp-p
19.5µsec
Q301
C
(REC)
0.1V/div 5µsec/div

Related product manuals