EasyManua.ls Logo

Sony HCD-C450 - Schematic Diagram - DVD Board (2;9)

Sony HCD-C450
102 pages
Print Icon
To Next Page IconTo Next Page
To Next Page IconTo Next Page
To Previous Page IconTo Previous Page
To Previous Page IconTo Previous Page
Loading...
4040
HCD-C450
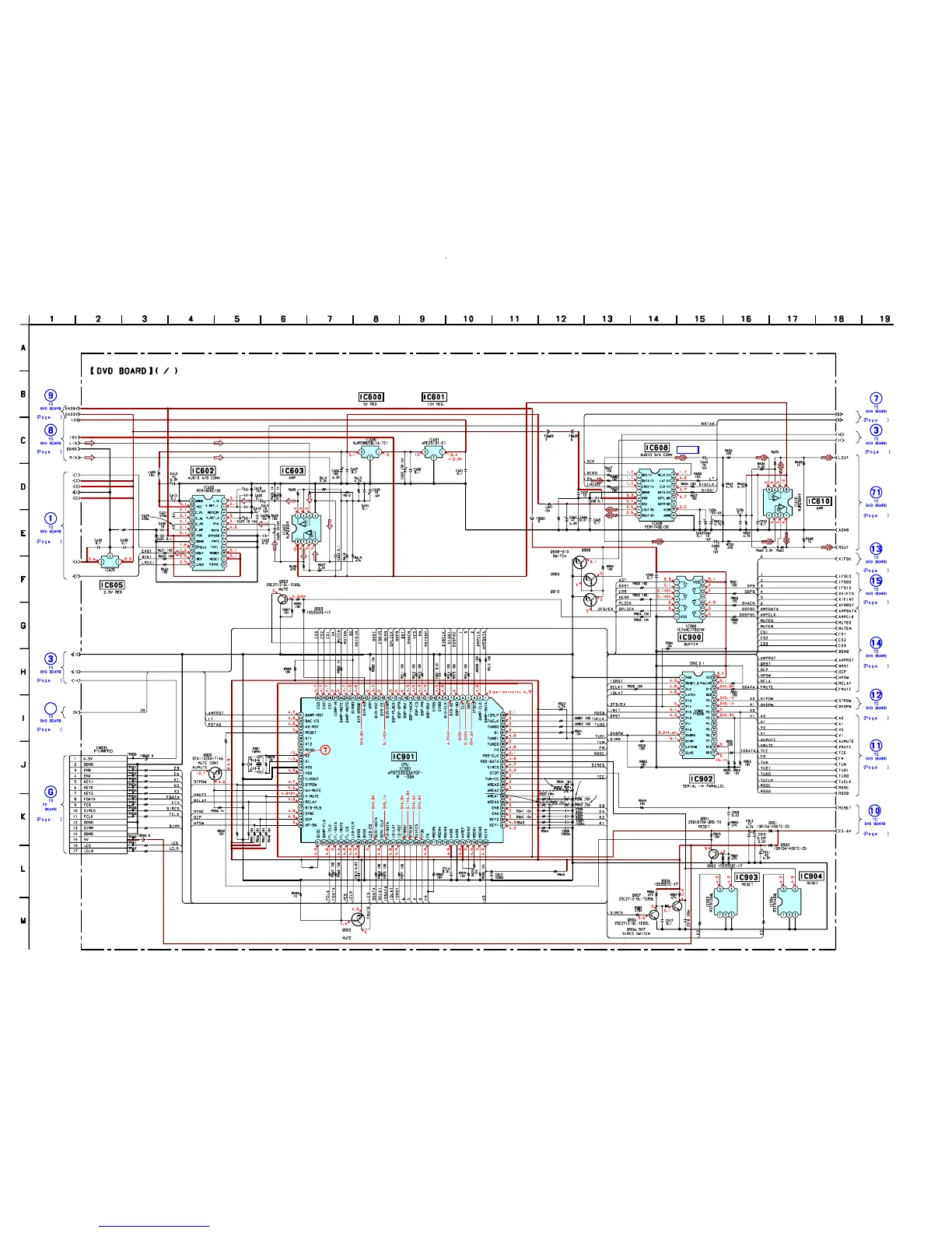
5-7. Schematic Diagram – DVD Board (2/9) – • See page 31 for Wavefoms. • See page 63 for IC Block Diagrams.
IC B/D
29
(4/9)
(4/9)
(1/9)
(1/9)
(4/9)
CN801
1179
DTA114EKA-T146
DTA124EKA-T146
DTA124EKA-T146
DTA124EKA-T146
10K
10K
(1/9)
(1/9)
(4/9)
(8/9)
(8/9)
(4/9)
(4/9)
(4/9)
(4/9)
85
uPC2926T-1-E1
H
470
47k
4.7k
uH
uH
uH
H
E32,MX,EA
E12,E32,SP,MX
3.3k
3.3k
US,CND,AUS,
E12,SP
US,CND,AUS,EA
US,CND,E32,MX
3.3k
42
uH
uH
17
39
39
42
46
46
42
42
42
42
56
42
39
39
42
42
JW903
0
JW903
0
R069 0
R068 0
R065 0
R063 0
R058 0
R055 0
R053 0
R070 0
R052 0
R0477 0
R057 0
R056 0
R617
0
R656
0
R974
0
R988
0
R989
0
R951
10k

Table of Contents

Related product manuals