EasyManua.ls Logo

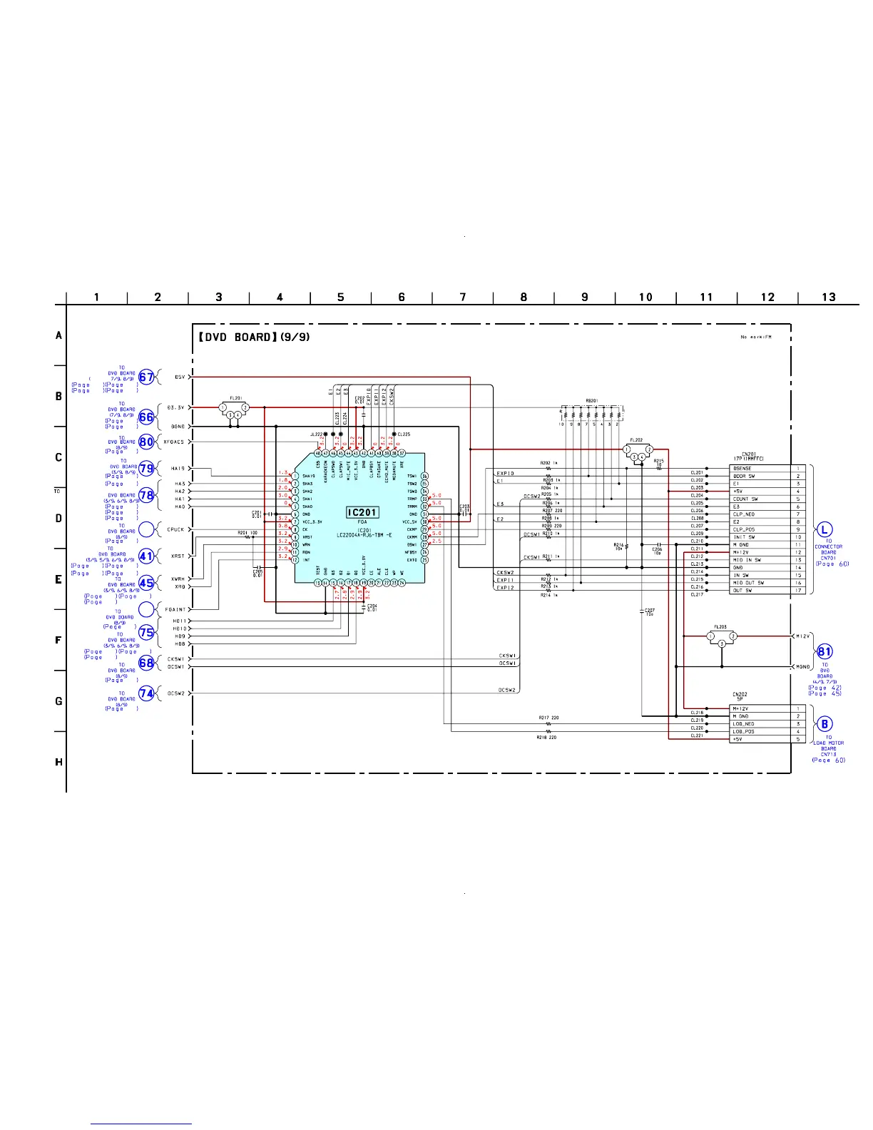
Sony HCD-C450 - Schematic Diagram - DVD Board (9;9)

Sony HCD-C450
102 pages
Print Icon
To Next Page IconTo Next Page
To Next Page IconTo Next Page
To Previous Page IconTo Previous Page
To Previous Page IconTo Previous Page
Loading...
4747
HCD-C450
5-14. Schematic Diagram – DVD Board (9/9) –
84
83
10k
45
46
42
44
45
46
46
46
41
46
46
44
46
46
46
44
44
41
41
41
46
46
46
44
41
43
4/9,6/9,

Table of Contents

Related product manuals