EasyManua.ls Logo

Sony HCD-DV2D - Schematic Diagram - POWER Section (E2, E3, E51, SP, TW Model)

Sony HCD-DV2D
76 pages
Print Icon
To Next Page IconTo Next Page
To Next Page IconTo Next Page
To Previous Page IconTo Previous Page
To Previous Page IconTo Previous Page
Loading...
3838
HCD-DV2D
HCD-DV2D
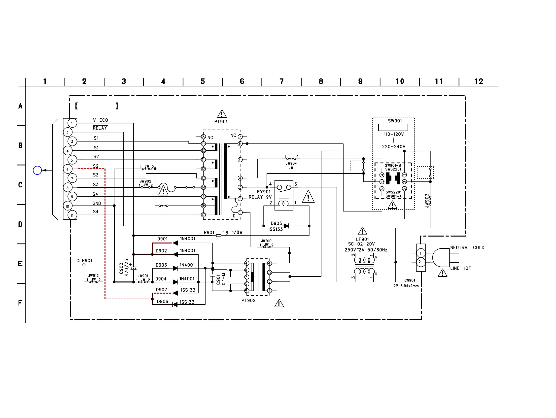
7-14. SCHEMATIC DIAGRAM — POWER SECTION (E2, E3, E51, SP, TW MODEL) —
MAIN
BOARD
CN301
(Page 28)
FW901
D
*
*
Not replaceable : Built in transformer
POWER TRANS FORMER (MAIN)
POWER TRANS FORMER (SUB)
JW909
JW
JW908
JW
VOLTAGE SELECTOR
AC IN
POWER BOARD
(E2, E3, E51, SP, TW MODELS)
TW
TW
E2, E3, E51, SP
JW906
JW905
JW913
F901
T1AL/250V
Ver. 1.2

Related product manuals