EasyManua.ls Logo

Sony HCD-DV2D - (US, CND Model)

Sony HCD-DV2D
76 pages
Print Icon
To Next Page IconTo Next Page
To Next Page IconTo Next Page
To Previous Page IconTo Previous Page
To Previous Page IconTo Previous Page
Loading...
3939
HCD-DV2D
HCD-DV2D
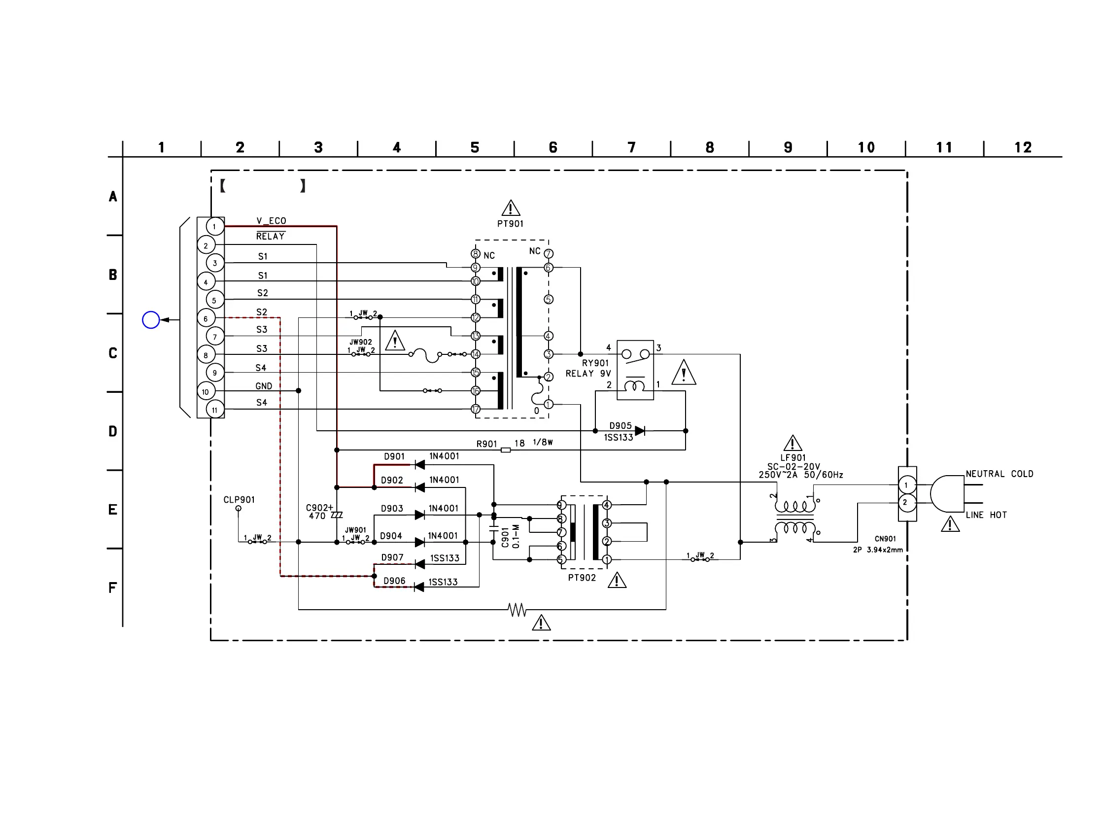
7-15. SCHEMATIC DIAGRAM — POWER SECTION (US, CND MODEL) —
MAIN
BOARD
CN301
(Page 28)
D
FW901
*
*
Not replaceable : Built in transformer
POWER TRANS FORMER (MAIN)
POWER TRANS FORMER (SUB)
JW903
R902
3.3M
POWER BOARD
(US,CND MODELS)
AC IN
F901
1.6A / 250V
JW905
JW904
JW906
JW907
25V
Ver. 1.2

Related product manuals