EasyManua.ls Logo

Sony HCD-DV2D - Page 74

Sony HCD-DV2D
76 pages
Print Icon
To Next Page IconTo Next Page
To Next Page IconTo Next Page
To Previous Page IconTo Previous Page
To Previous Page IconTo Previous Page
Loading...
44
HCD-DV2D
HCD-DV2D
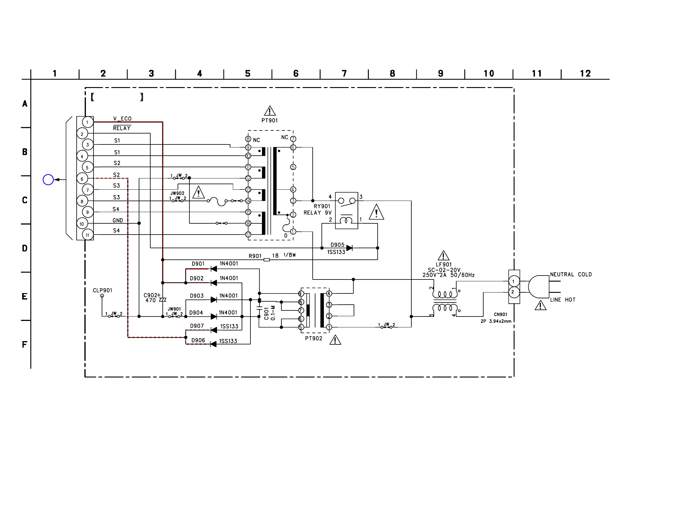
SCHEMATIC DIAGRAM — POWER SECTION (AEP, UK, RU, KR, AUS MODELS) —
Ver. 1.2
MAIN
BOARD
CN301
(Page 28)
D
FW901
*
*
Not replaceable : Built in transformer
POWER TRANS FORMER (MAIN)
POWER TRANS FORMER (SUB)
JW903
POWER BOARD
(AEP,UK,RU,KR,AUS MODELS)
AC IN
F901
T1AL / 250V
JW905
JW904
JW906
JW907
25V

Related product manuals