EasyManua.ls Logo

Sony HCD-DX2D - Schematic Diagram - MAIN Section (2;3)

Sony HCD-DX2D
70 pages
Print Icon
To Next Page IconTo Next Page
To Next Page IconTo Next Page
To Previous Page IconTo Previous Page
To Previous Page IconTo Previous Page
Loading...
2828
HCD-DX2D
HCD-DX2D
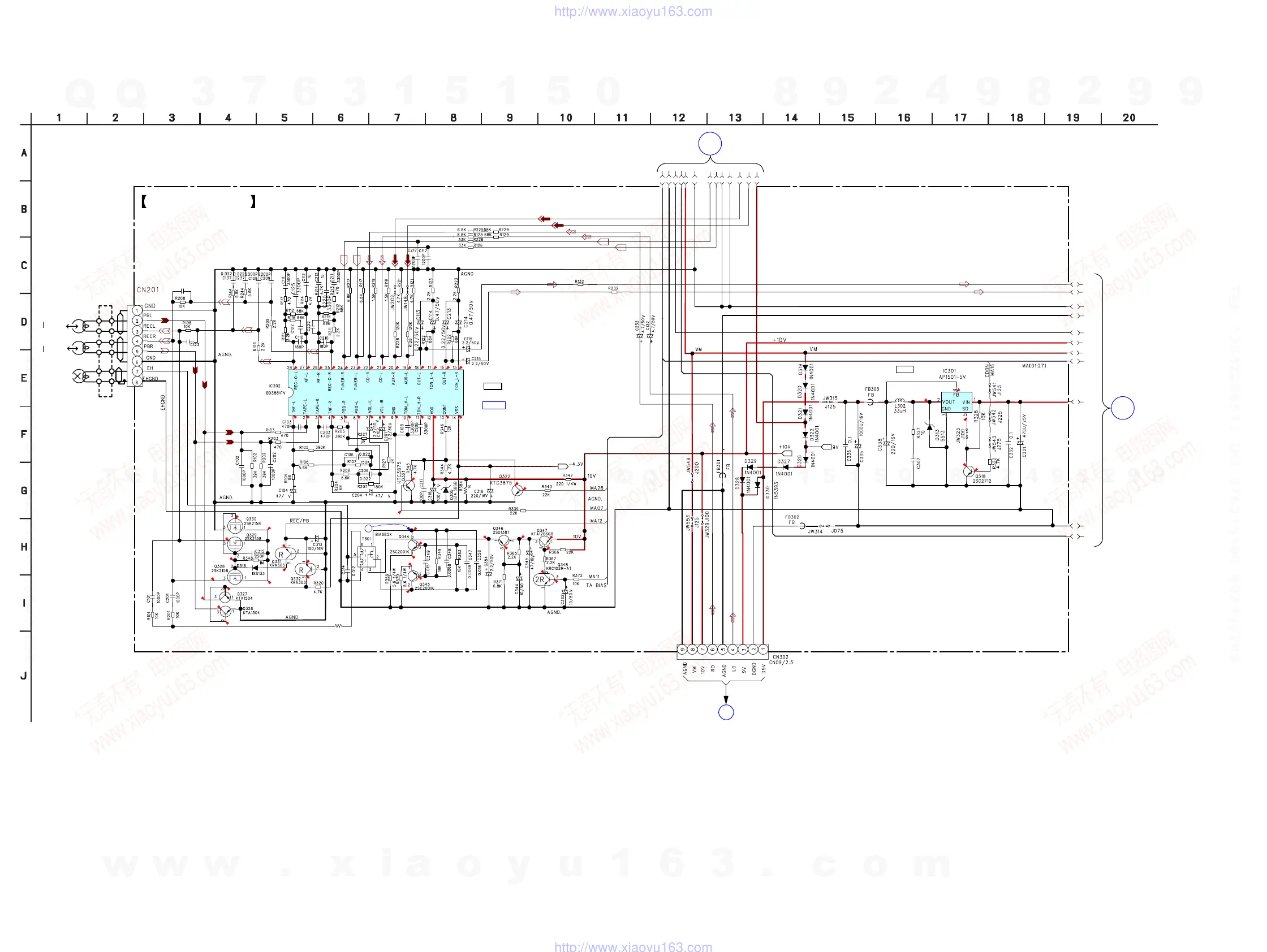
7-7. SCHEMATIC DIAGRAM — MAIN SECTION (2/3) —
C
MPEG BOARD (3/3)
CN3
(Page 34)
9
1
MAIN
MAIN
BOARD
(3/3)
(Page 29)
2
IC B/D
BOARD
(1/3)
(Page 27)
0
0
0.6
16.5
5.1
0(-6.2)
0(-6.2)
1.9(-11.7)
0
2.2(0)
2.2(0)
1.9(-11.9)
2.2(-11)
2.1(-6.6)
1.9(-11.9)
2.1(-6.5)
2.1(-6.5)
0
0
0
0(6.1)
0(6.1)
0(0.4)
0(0.4)
0
0
0(9.6)
0(2.1)
9.8(8.9)
9.8(0)
0(6.8)
0(6.2)
9.8
0.6
0
0.6
0
4.6 -4.5 -4.5
0
0
0
00000000
0000
0
0
00000000
No mark:FM
( ):REC
2
1
3
4
6
5
7
8
9
10
11
12
13
24
23
21
18
17
16
20
19
15
14
22
MAIN BOARD
(2/3)
LCH
(REC/PB/ERAE)
RCH
ERASE
TAPE
MECHANISM
DECK
REC/PB
HEAD
*
C123,C223
US,CND : NO MOUNT
AEP,UK : 330P
IC302
SOUND PROCESSOR
S
S
REC/PB SWITCH
Q329~Q332,
Q326,Q327
SWITCH
SWITCH
SWITCH
Q344~Q347
BIAS OSC
SWITCH
IC301
+5V REG
S
8P
*
*
C223
0.018
0.018
15K
15K
10
JR101
0
16
16
0.01
See page 21 for Waveform. See page 45 for IC Block Diagram.
w
w
w
.
x
i
a
o
y
u
1
6
3
.
c
o
m
Q
Q
3
7
6
3
1
5
1
5
0
9
9
2
8
9
4
2
9
8
T
E
L
1
3
9
4
2
2
9
6
5
1
3
9
9
2
8
9
4
2
9
8
0
5
1
5
1
3
6
7
3
Q
Q
TEL 13942296513 QQ 376315150 892498299
TEL 13942296513 QQ 376315150 892498299
http://www.xiaoyu163.com
http://www.xiaoyu163.com

Table of Contents

Related product manuals