EasyManua.ls Logo

Sony HCD-DX2D - Schematic Diagram - MAIN Section (3;3)

Sony HCD-DX2D
70 pages
Print Icon
To Next Page IconTo Next Page
To Next Page IconTo Next Page
To Previous Page IconTo Previous Page
To Previous Page IconTo Previous Page
Loading...
2929
HCD-DX2D
HCD-DX2D
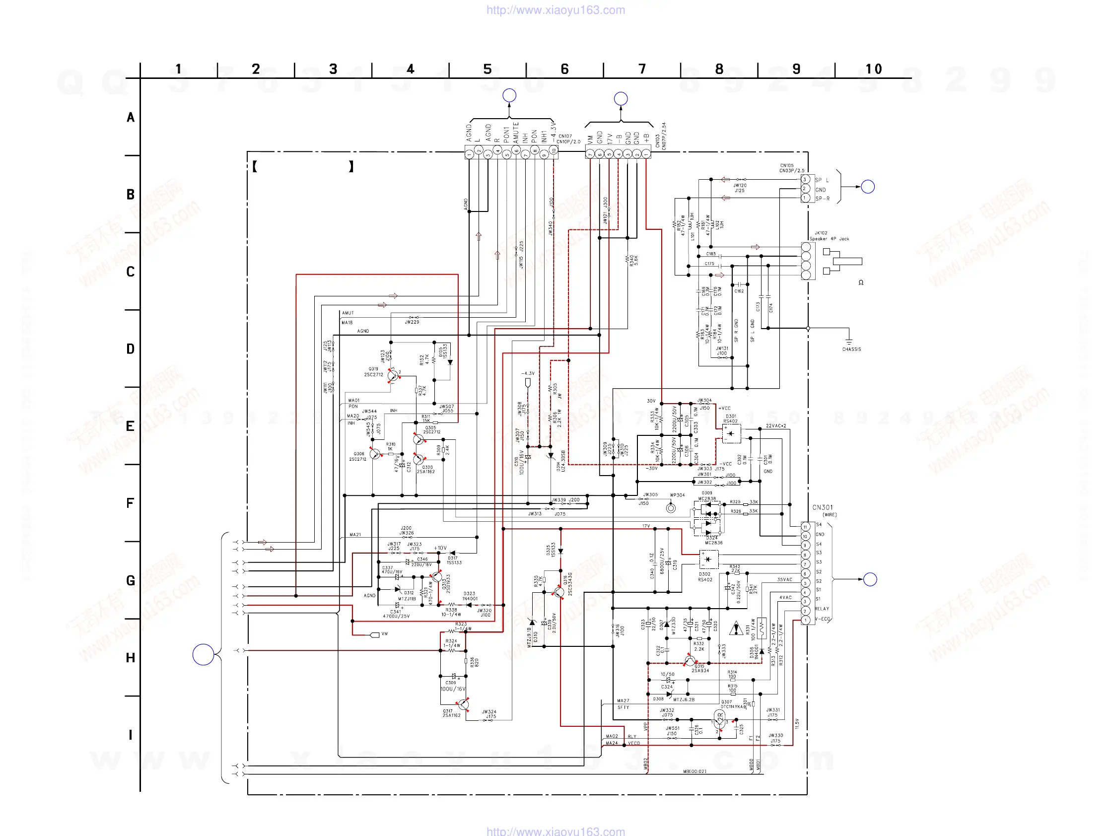
7-8. SCHEMATIC DIAGRAM — MAIN SECTION (3/3) —
D
POWER BOARD
FW901
US,CND (Page 42)
AEP,UK (Page 44)
E
AMP
BOARD
CN106
(Page 40)
I
AMP
BOARD
CN102
(Page 40)
H
AMP
BOARD
CN108
(Page 40)
MAIN
BOARD
(2/3)
(Page 28)
2
0
0
3.8
0
2
0.6
0.6
0
0
11
9.8
16.3
16.5
16.6
0
16.7
10.8
8.8
-32.9
-32.4
-38.6
4.5
0
No mark:FM
( ):REC
24
23
21
18
17
16
20
19
15
14
22
MAIN BOARD
(3/3)
11P
( )
+
+
-
-
R
L
SPEAKER
(IMPEDANCE
USE 6 )
L
GND
GND
R
MUTE SWITCH
SWITCH
POWER
CONTROL
POWER
CONTROL
+9V REG
CURRENT DETECT
-33V REG
0.01
0.01
0.1
1000P
1000P
CURRENT
DETECT
RELAY
DRIVE
4700P
w
w
w
.
x
i
a
o
y
u
1
6
3
.
c
o
m
Q
Q
3
7
6
3
1
5
1
5
0
9
9
2
8
9
4
2
9
8
T
E
L
1
3
9
4
2
2
9
6
5
1
3
9
9
2
8
9
4
2
9
8
0
5
1
5
1
3
6
7
3
Q
Q
TEL 13942296513 QQ 376315150 892498299
TEL 13942296513 QQ 376315150 892498299
http://www.xiaoyu163.com
http://www.xiaoyu163.com

Table of Contents

Related product manuals