EasyManua.ls Logo

Sony HCD-DX2D - Schematic Diagram - POWER Section (US, CND Model)

Sony HCD-DX2D
70 pages
Print Icon
To Next Page IconTo Next Page
To Next Page IconTo Next Page
To Previous Page IconTo Previous Page
To Previous Page IconTo Previous Page
Loading...
4242
HCD-DX2D
HCD-DX2D
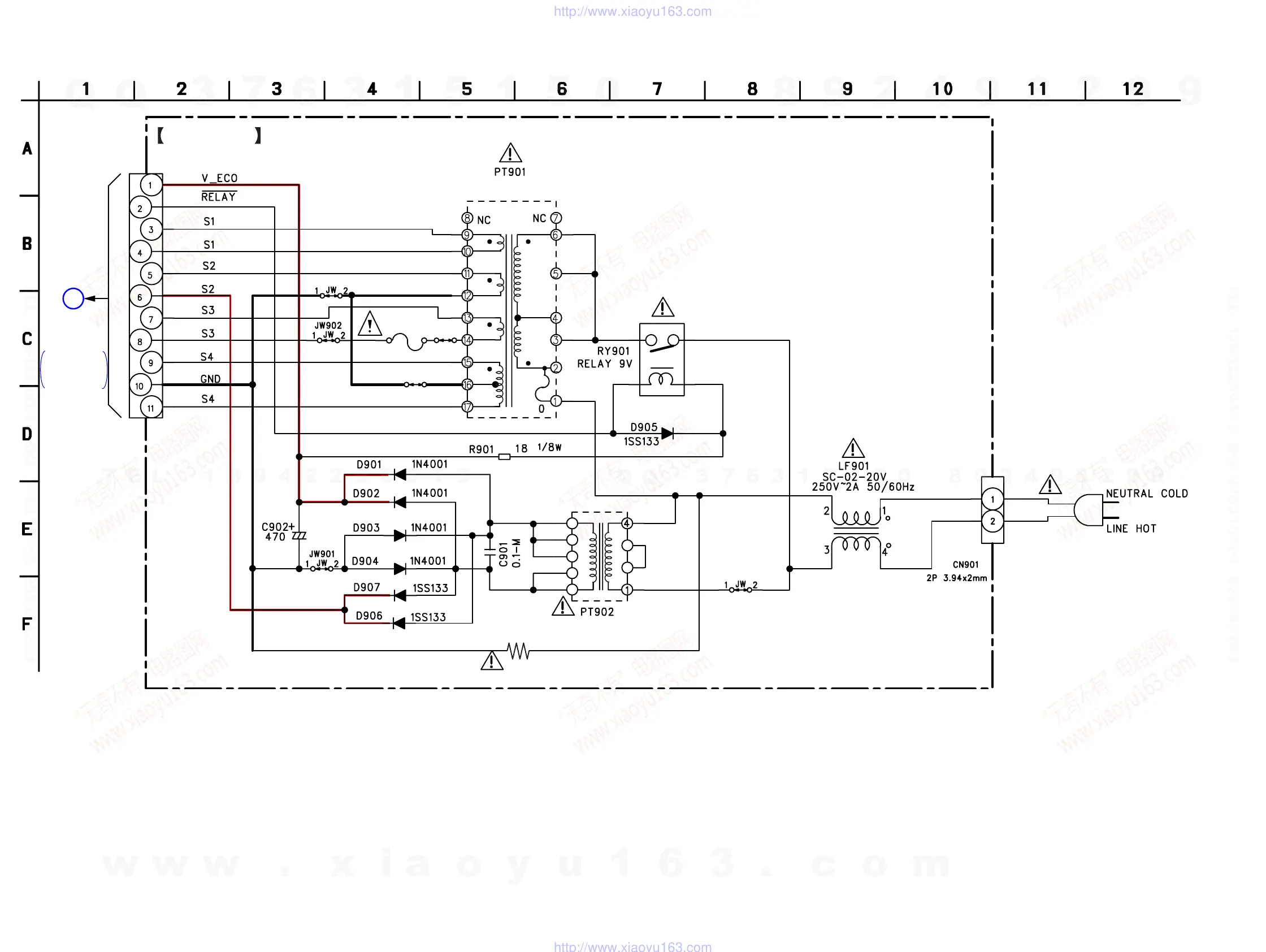
7-21. SCHEMATIC DIAGRAM — POWER SECTION (US, CND MODEL) —
MAIN
BOARD(3/3)
CN301
SUFFIX-G01V
Page 29
D
FW901
*
*
Not replaceable : Built in transformer
POWER TRANS FORMER (MAIN)
POWER TRANS FORMER (SUB)
JW907
R902
3.3M(1/2W)
POWER BOARD (US,CND MODEL)
AC IN
F901
1.6A / 250V
JW905
JW906
JW911
25V
11P
JW
DB-EI76-4241A
DB-EI28-2722A
5
6
7
8
9
2
3
Ver. 1.1
w
w
w
.
x
i
a
o
y
u
1
6
3
.
c
o
m
Q
Q
3
7
6
3
1
5
1
5
0
9
9
2
8
9
4
2
9
8
T
E
L
1
3
9
4
2
2
9
6
5
1
3
9
9
2
8
9
4
2
9
8
0
5
1
5
1
3
6
7
3
Q
Q
TEL 13942296513 QQ 376315150 892498299
TEL 13942296513 QQ 376315150 892498299
http://www.xiaoyu163.com
http://www.xiaoyu163.com

Table of Contents

Related product manuals