EasyManua.ls Logo

Sony HCD-DX2D - Schematic Diagram - AV Section

Sony HCD-DX2D
70 pages
Print Icon
To Next Page IconTo Next Page
To Next Page IconTo Next Page
To Previous Page IconTo Previous Page
To Previous Page IconTo Previous Page
Loading...
3838
HCD-DX2D
HCD-DX2D
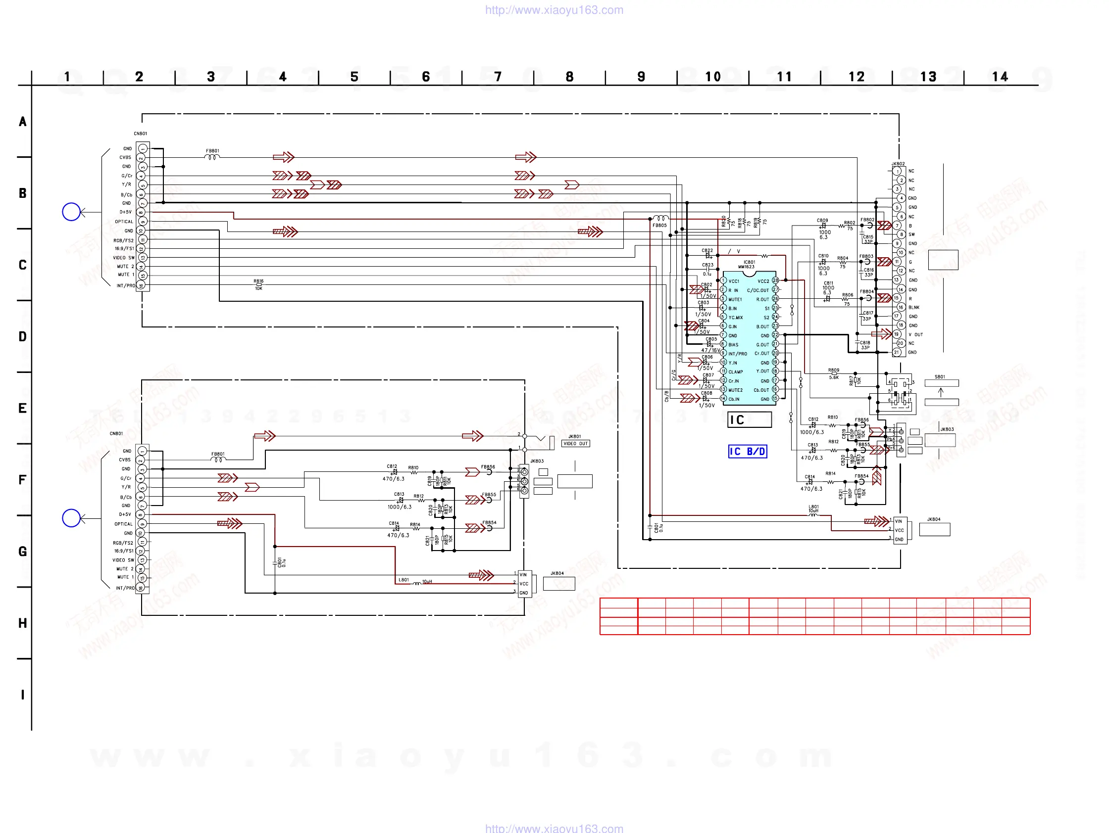
7-17. SCHEMATIC DIAGRAM — AV SECTION —
MPEG BOARD
(3/3)
CN2
(Page 34)
F
MPEG BOARD
(3/3)
CN2
(Page 34)
F
A
FB
A
[AV BOARD] (EXCEPT AEP,UK,RU MODEL)
[AV BOARD] (AEP,UK,RU MODEL)
A
A
A
A
A
A
A
A
A
A
AA
A
A
A
A
A
V
V
V
Y
P /C
P /C
COMPONENT
VIDEO OUT
DIGITAL OUT
OPTICAL
BB
RR
EURO AV
COMPONENT
COMPONENT
VIDEO OUT
Y
P /C
P /C
RR
BB
V
V
V
V
V
V
DIGITAL OUT
OPTICAL
75
75
75
JW801
JW803
JW802
JR801
0
XFBE
16P
FB
T
LINE-TV
JK802
801
VIDEO AMP
75 DRIVER
0
0
0
No mark : FM
47
16
A
A
PIN.No
PIN.No
Voltage (V)
Voltage (V)
IC801 VOLTAGE CHART
1
2
3
4
5
6
7
89
10
11
12 13 14
15
16 17
18 19
20
21 22
23
24 25 26 27 28
5
-
1.5
1.5
5
1.5
-
-
1.5
-
0
1.5
1.5
-
-1.5
1.5
1.5
5
1.5 -
1.5
5
-
1.5
1.5
5
-
See page 45 for IC Block Diagram.
Ver. 1.1
w
w
w
.
x
i
a
o
y
u
1
6
3
.
c
o
m
Q
Q
3
7
6
3
1
5
1
5
0
9
9
2
8
9
4
2
9
8
T
E
L
1
3
9
4
2
2
9
6
5
1
3
9
9
2
8
9
4
2
9
8
0
5
1
5
1
3
6
7
3
Q
Q
TEL 13942296513 QQ 376315150 892498299
TEL 13942296513 QQ 376315150 892498299
http://www.xiaoyu163.com
http://www.xiaoyu163.com

Table of Contents

Related product manuals