EasyManua.ls Logo

Sony HCD-DX2D - Schematic Diagram - POWER Section (AEP UK, RU, KR, aus Model)

Sony HCD-DX2D
70 pages
Print Icon
To Next Page IconTo Next Page
To Next Page IconTo Next Page
To Previous Page IconTo Previous Page
To Previous Page IconTo Previous Page
Loading...
4444
HCD-DX2D
HCD-DX2D
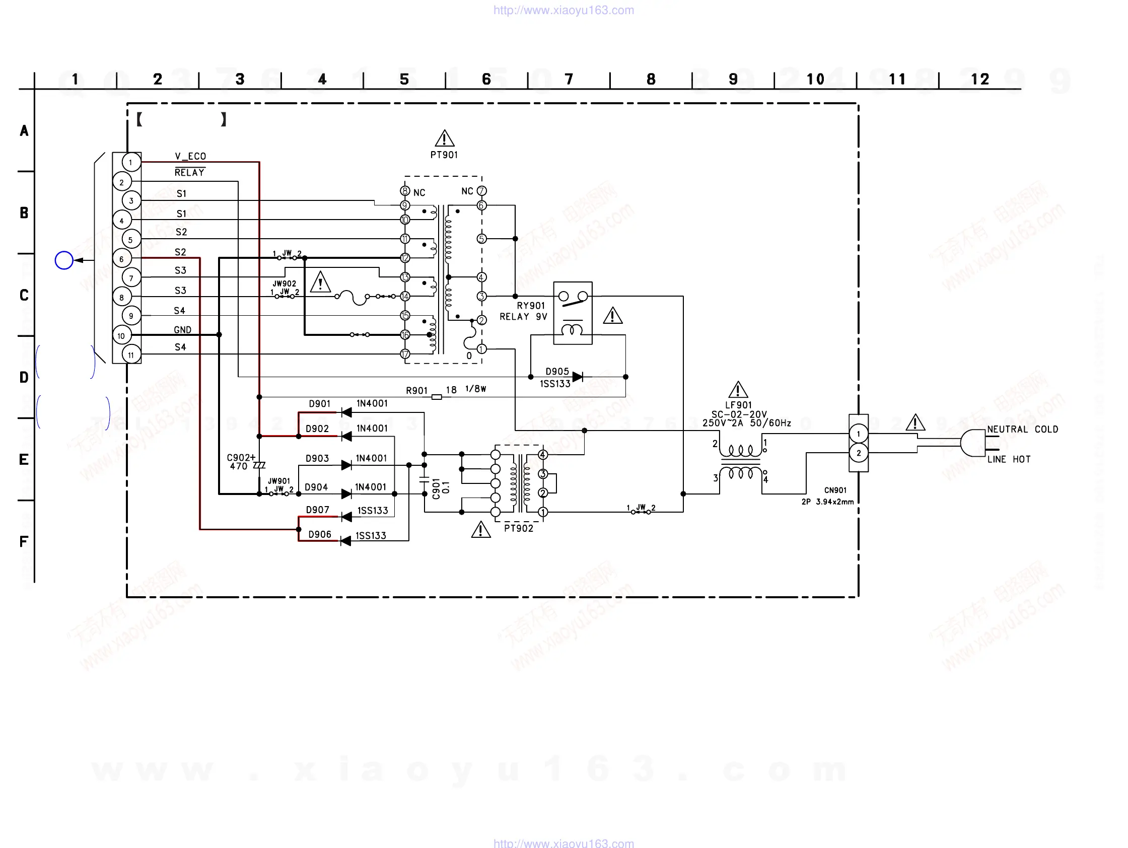
7-23. SCHEMATIC DIAGRAM — POWER SECTION (AEP, UK, RU, KR, AUS MODEL) —
MAIN
BOARD
(3/3)
CN301
(AEP,UK)
SUFFIX-G01V
Page 29
D
FW901
*
*
Not replaceable : Built in transformer
POWER TRANS FORMER (MAIN)
POWER TRANS FORMER (SUB)
JW907
POWER BOARD (AEP,UK,RU,KR,AUS MODEL)
AC IN
F901
T1AL/250V
JW905
JW906
JW911
25V
11P
JW
DB-EI76-4243A
5
6
7
8
9
DB-EI28-2719A
(RU,KR,AUS)
SUFFIX-G02V
SUPPLEMENT-1
Page 6
Ver. 1.3
w
w
w
.
x
i
a
o
y
u
1
6
3
.
c
o
m
Q
Q
3
7
6
3
1
5
1
5
0
9
9
2
8
9
4
2
9
8
T
E
L
1
3
9
4
2
2
9
6
5
1
3
9
9
2
8
9
4
2
9
8
0
5
1
5
1
3
6
7
3
Q
Q
TEL 13942296513 QQ 376315150 892498299
TEL 13942296513 QQ 376315150 892498299
http://www.xiaoyu163.com
http://www.xiaoyu163.com

Table of Contents

Related product manuals