EasyManua.ls Logo

Sony HCD-DX2D - Page 68

Sony HCD-DX2D
70 pages
Print Icon
To Next Page IconTo Next Page
To Next Page IconTo Next Page
To Previous Page IconTo Previous Page
To Previous Page IconTo Previous Page
Loading...
66
HCD-DX2D
HCD-DX2D
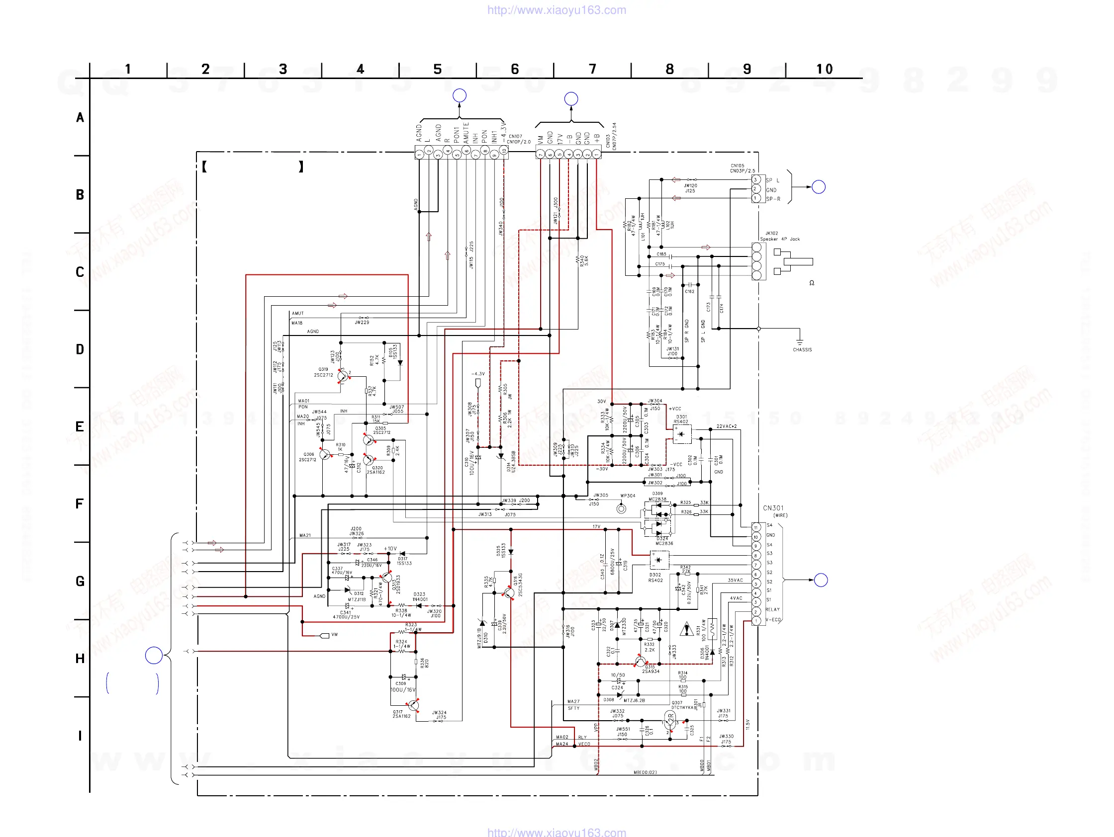
SCHEMATIC DIAGRAM — MAIN SECTION (3/3) —
D
POWER BOARD
FW901
RU,KR,AUS (Page 44)
E3,E51,SP,TH (Page 46)
E
AMP
BOARD
CN106
(Page 40)
I
AMP
BOARD
CN102
(Page 40)
H
AMP
BOARD
CN108
(Page 40)
MAIN
BOARD
(2/3)
SUPPLEMENT-1
Page 5
2
0
0
3.8
0
2
0.6
0.6
0
0
11
9.8
16.3
16.5
16.6
0
16.7
10.8
8.8
-32.9
-32.4
-38.6
4.5
0
No mark:FM
( ):REC
24
23
21
18
17
16
20
19
15
14
22
MAIN BOARD
(3/3)
11P
( )
+
+
-
-
R
L
SPEAKER
(IMPEDANCE
USE 6 )
L
GND
GND
R
MUTE SWITCH
SWITCH
POWER
CONTROL
POWER
CONTROL
+9V REG
CURRENT DETECT
-33V REG
0.01
0.01
0.1
1000P
1000P
CURRENT
DETECT
RELAY
DRIVE
4700P
Ver. 1.2
w
w
w
.
x
i
a
o
y
u
1
6
3
.
c
o
m
Q
Q
3
7
6
3
1
5
1
5
0
9
9
2
8
9
4
2
9
8
T
E
L
1
3
9
4
2
2
9
6
5
1
3
9
9
2
8
9
4
2
9
8
0
5
1
5
1
3
6
7
3
Q
Q
TEL 13942296513 QQ 376315150 892498299
TEL 13942296513 QQ 376315150 892498299
http://www.xiaoyu163.com
http://www.xiaoyu163.com

Table of Contents

Related product manuals