EasyManua.ls Logo

Sony HCD-DX2D - Page 67

Sony HCD-DX2D
70 pages
Print Icon
To Next Page IconTo Next Page
To Next Page IconTo Next Page
To Previous Page IconTo Previous Page
To Previous Page IconTo Previous Page
Loading...
55
HCD-DX2D
HCD-DX2D
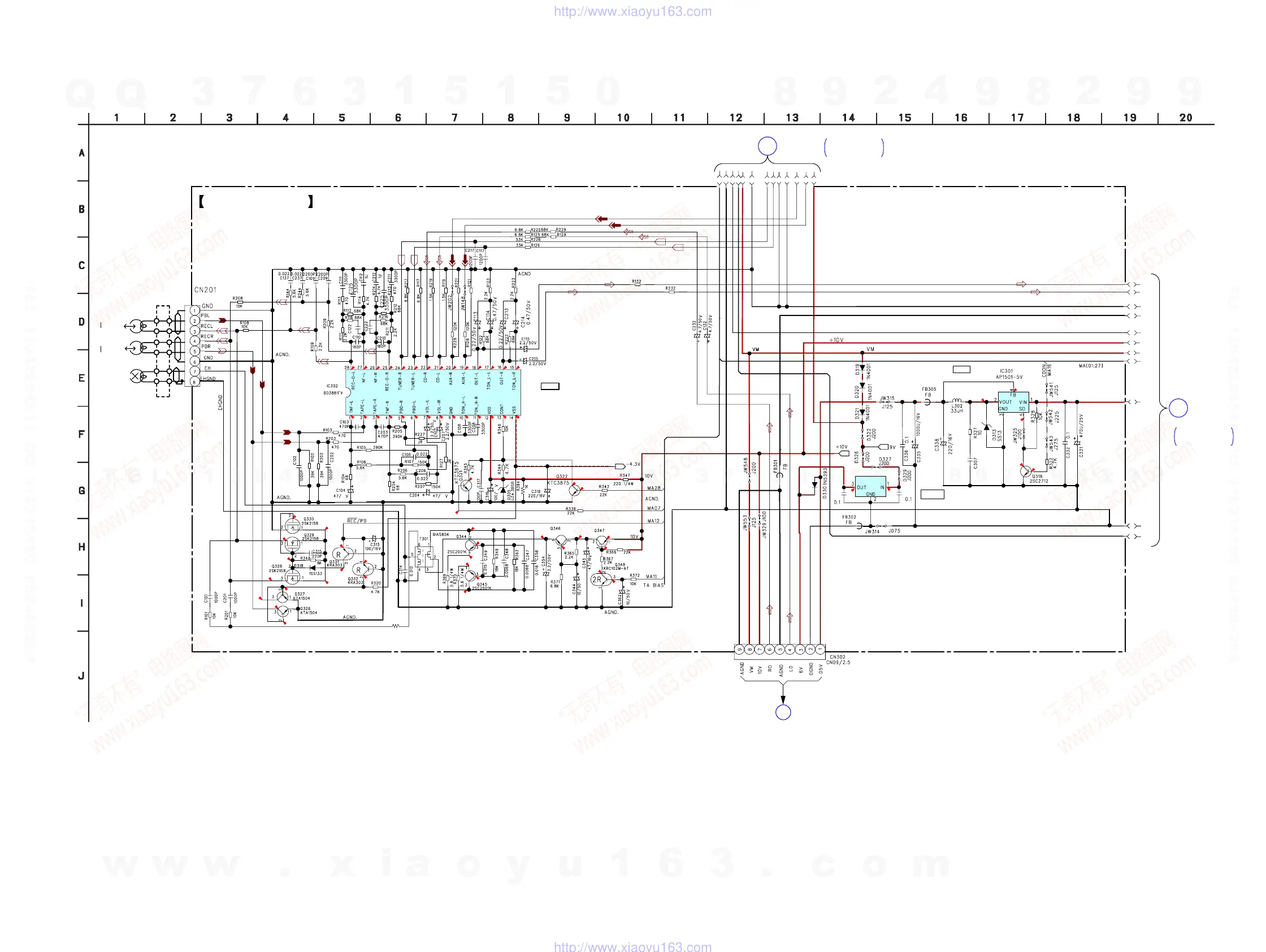
SCHEMATIC DIAGRAM — MAIN SECTION (2/3) —
C
MPEG BOARD (3/3)
CN3
(Page 34)
1
MAIN
BOARD
(3/3)
SUPPLEMENT-1
Page 6
2
SUPPLEMENT-1
Page 4
MAIN BOARD
(1/3)
2SD1664R
2SB1132R
0
0
0.6
16.5
5.1
0(-6.2)
0(-6.2)
1.9(-11.7)
0
2.2(0)
2.2(0)
1.9(-11.9)
2.2(-11)
2.1(-6.6)
1.9(-11.9)
2.1(-6.5)
2.1(-6.5)
0
0
0
0(6.1)
0(6.1)
0(0.4)
0(0.4)
0
0
0(9.6)
0(2.1)
9.8(8.9)
9.8(0)
0(6.8)
0(6.2)
9.8
0.6
0
0.6
0
4.6 -4.5 -4.5
0
0
0
00000000
0000
0
0
00000000
No mark:FM
( ):REC
9
6
2
1
3
4
6
5
7
8
9
10
11
12
13
24
23
21
18
17
16
20
19
15
14
22
MAIN BOARD
(2/3)
LCH
(REC/PB/ERASE)
RCH
ERASE
TAPE
MECHANISM
DECK
REC/PB
HEAD
IC302
SOUND PROCESSOR
S
S
REC/PB SWITCH
Q329~Q332,
Q326,Q327
SWITCH
SWITCH
SWITCH
Q344~Q347
BIAS OSC
SWITCH
IC301
+5V REG
S
4.7k
4.7k
IC101
+6V REG
C100
C105
8P
0.018
0.018
10K
10K
10
JR101
0
16
16
0.01
IC101
NJM7806FA
w
w
w
.
x
i
a
o
y
u
1
6
3
.
c
o
m
Q
Q
3
7
6
3
1
5
1
5
0
9
9
2
8
9
4
2
9
8
T
E
L
1
3
9
4
2
2
9
6
5
1
3
9
9
2
8
9
4
2
9
8
0
5
1
5
1
3
6
7
3
Q
Q
TEL 13942296513 QQ 376315150 892498299
TEL 13942296513 QQ 376315150 892498299
http://www.xiaoyu163.com
http://www.xiaoyu163.com

Table of Contents

Related product manuals