EasyManua.ls Logo

Sony HCD-DX2D - Page 48

Sony HCD-DX2D
70 pages
Print Icon
To Next Page IconTo Next Page
To Next Page IconTo Next Page
To Previous Page IconTo Previous Page
To Previous Page IconTo Previous Page
Loading...
48
HCD-DX2D
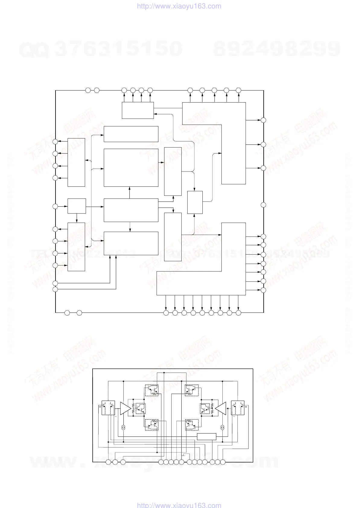
IC651 uPD16315GB-3BS
– KEY Board –
1
2
3
4
5
4-bit latch
24-bit output latch
12-bit shift register
Data selector
6
7
8
9
10
11
12 13 14 15 16 17 18 19 20 21 22
23
24
25
26
27
28
29
30
31
32
33
3435363738
Serial
interface
OSC
Timing generator
key scan
Display memory
24 bits x 12 words
Key data memory
(2 x 16 bits)
Command decoder
segment driver
Grid driver
Multiplexed driver
394041424344
LED1
LED2
LED3
LED4
OSC
DOUT
DIN
CLK
STB
KEY1
KEY2
VSS
VDD
SEG1/KS1
SEG2/KS2
SEG3/KS3
SEG4/KS4
SEG5/KS5
SEG6/KS6
SEG7/KS7
SEG8/KS8
SEG9/KS9
SEG10/KS10
SEG20/GRID9
SEG21/GRID8
SEG22/GRID7
SEG23/GRID6
SEG24/GRID5
GRID4
GRID3
GRID2
GRID1
VDD
VSS
SEG11/KS11
SEG12/KS12
SEG13/KS13
SEG14/KS14
SEG15/KS15
SEG16/KS16
VEE
SEG17/GRID12
SEG18/GRID11
SEG19/GRID10
– AMP Board –
SUB
Bias Circuit
Pre Driver
CH1
Pre Driver
CH2
321
4
6
5
8
7
13
10
11
12
9
14
15
CH2_IN
CH2_NF
ST_BY
CH1_NF
CH1_IN
GND
SUB
+PRE
CH2_OUT2
CH2_OUT1
CH1_OUT2
CH1_OUT1
+VCC
-VCC
-PRE
IC103 STK433-070
w
w
w
.
x
i
a
o
y
u
1
6
3
.
c
o
m
Q
Q
3
7
6
3
1
5
1
5
0
9
9
2
8
9
4
2
9
8
T
E
L
1
3
9
4
2
2
9
6
5
1
3
9
9
2
8
9
4
2
9
8
0
5
1
5
1
3
6
7
3
Q
Q
TEL 13942296513 QQ 376315150 892498299
TEL 13942296513 QQ 376315150 892498299
http://www.xiaoyu163.com
http://www.xiaoyu163.com

Table of Contents

Related product manuals