EasyManua.ls Logo

Sony HCD-GN660 - Schematic Diagram - Primary Board; Schematic Diagram - Surround Board

Sony HCD-GN660
78 pages
Print Icon
To Next Page IconTo Next Page
To Next Page IconTo Next Page
To Previous Page IconTo Previous Page
To Previous Page IconTo Previous Page
Loading...
HCD-GN660/GN770/GX9000
4848
HCD-GN660/GN770/GX9000
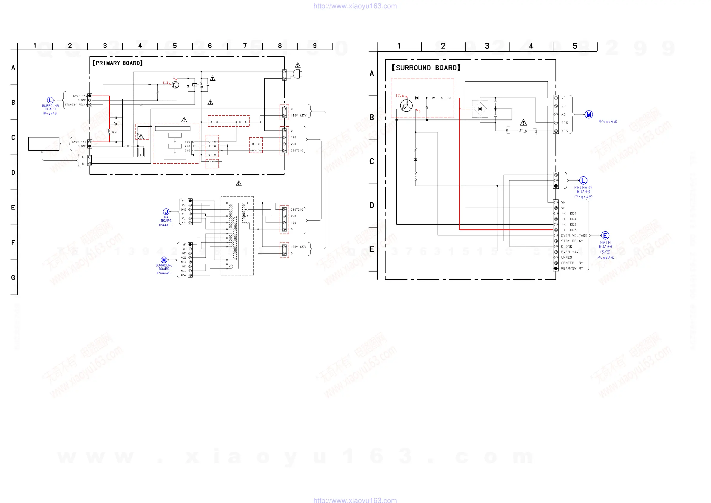
7-22. SCHEMATIC DIAGRAM – PRIMARY BOARD –
CN1000
D1000
Q1000
C1003
NO1001
R1000
R1001
L1001
C1001
C1000
C1005
CN1002
RY1000
NO1000
S1000
CN1001
C1002
R1003
JW
1006
JW1008
JW
1001
JW1002
JW
1009
JW
1007
JW
1005
JW
1000
B1000
R1004
2P
1SS355
2SC2412K
T-146-R
0.01
2P
4.7k
100k
0.1
0.01
1000
6.3V
3P
RELAY
5V
WIRE
0.1
0
3.3M
SW
ITCHING
REGULATOR
POW
ER
TRANSFORMER
AC IN
220-240V
220V
VOLTAGE SELECTOR
120V
Q1000
POWER ON/OFF
RELAY DRIVE
T601
US,MX
US,MX
EXCEPT US,M
X
EXCEPT US,MX
US,M
X
EXCEPT US,MX
E2,E3,E51
E2,E3,E51
GX9000
AUS,AR
43
7-23. SCHEMATIC DIAGRAM – SURROUND BOARD –
C761
C760
CN701
FH760
FH761
D701
R707
R708
D702
R709
JW754
JW764
D763
F760
NO704
Q701
CN703
0.01
50V
0.01
50V
13P
B-TO-B
F.HOLD
F.HOLD
1SS355
1.8k
56k
1SS355
10k
D3SBA20
T3.15AL
250V
3P
FA1L3Z
OVER VOLTAGE
DET
5P
E2,E3,E51
POWER
TRANSFORMER
w
w
w
.
x
i
a
o
y
u
1
6
3
.
c
o
m
Q
Q
3
7
6
3
1
5
1
5
0
9
9
2
8
9
4
2
9
8
T
E
L
1
3
9
4
2
2
9
6
5
1
3
9
9
2
8
9
4
2
9
8
0
5
1
5
1
3
6
7
3
Q
Q
TEL 13942296513 QQ 376315150 892498299
TEL 13942296513 QQ 376315150 892498299
http://www.xiaoyu163.com
http://www.xiaoyu163.com

Table of Contents

Related product manuals