EasyManua.ls Logo

Sony HCD-GN660 - 8-5. CD MECHANISM DECK SECTION-2 (CDM74-F1 BD81)

Sony HCD-GN660
78 pages
Print Icon
To Next Page IconTo Next Page
To Next Page IconTo Next Page
To Previous Page IconTo Previous Page
To Previous Page IconTo Previous Page
Loading...
61
HCD-GN660/GN770/GX9000
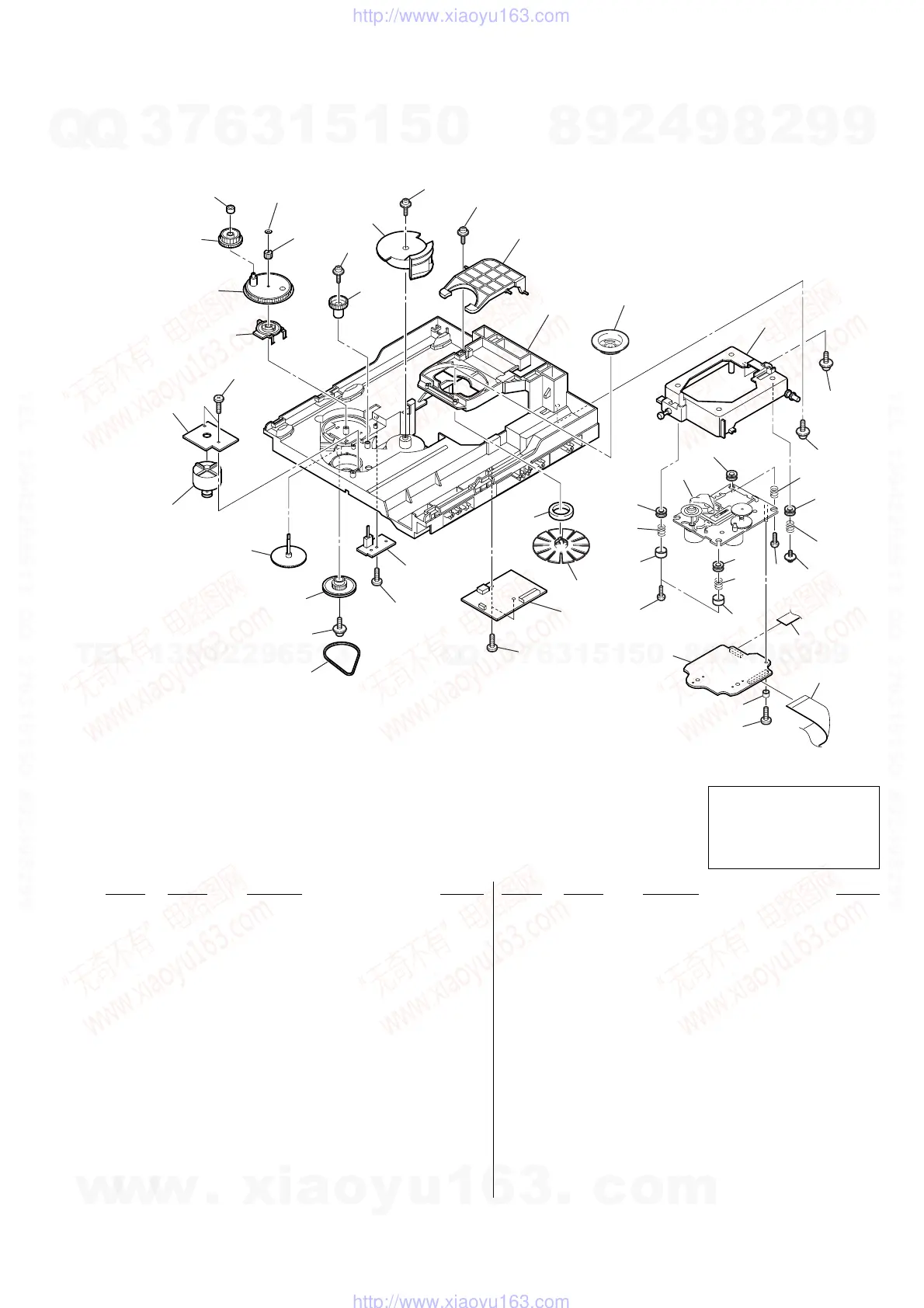
8-5. CD MECHANISM DECK SECTION-2
(CDM74-F1BD81)
Ref. No. Part No. Description Remarks
Ref. No. Part No. Description Remarks
201
202
202
202
203
204
205
206
207
208
210
211
212
213
214
215
216
217
219
231
220
205
205
222
223
223
224
224
225
225
226
232
230
218
223
223
222
229
222
222
205
205
205
205
M751
RE701
227
228
not supplied
The components identified by
mark 0 or dotted line with mark
0 are critical for safety.
Replace only with part number
specified.
201 1-687-135-12 DRIVER BOARD
202 4-218-253-32 SCREW (M2.6), +BTTP
203 1-687-669-12 SW BOARD
204 4-244-034-01 BELT (LOADING)
205 4-218-252-61 SCREW (+PTPWH M2.6), FLOATING
206 4-225-844-01 GEAR (LOADING A)
207 4-224-613-01 GEAR (SHAFT)
208 1-687-133-12 MOTOR (LD) BOARD
210 4-244-108-01 GEAR, SWING
211 4-224-609-01 GEAR (LOADING C)
212 4-224-608-01 COLLAR, SWING
213 3-016-533-01 WASHER (FR), STOPPER
214 4-224-611-01 GEAR (LOADING B)
215 4-224-606-01 GEAR (RV)
216 4-243-818-01 GEAR (U/D)
217 4-243-822-02 LEVER (LIFTER)
218 X-4955-774-1 PULLEY (SM) ASSY, CHUCKING
219 4-221-688-01 PULLEY (B), CHUCKING
220 X-4955-536-1 HOLDER (213) ASSY
222 4-227-549-11 INSULATOR
223 4-227-045-11 SPRING (INSULATOR), COIL
224 4-231-151-01 STOPPER (BU)
225 4-218-253-22 SCREW (M2.6), +BTTP
226 1-827-992-11 WIRE (FLAT TYPE) (16 CORE)
227 1-775-248-11 WIRE (FLAT TYPE) (27 CORE)
228 A-4751-045-A BD BOARD, COMPLETE
0229 8-820-244-01 OPTICAL PICK-UP (KSM-215DCP/C2NP)
230 1-471-035-11 MAGNET ASSY
231 4-243-817-01 CHASSIS
232 4-951-620-01 SCREW (2.6X8), +BVTP
M751 A-4737-553-A MOTOR ASSY, LOADING
RE701 1-477-680-12 ENCODER, ROTARY
w
w
w
.
x
i
a
o
y
u
1
6
3
.
c
o
m
Q
Q
3
7
6
3
1
5
1
5
0
9
9
2
8
9
4
2
9
8
T
E
L
1
3
9
4
2
2
9
6
5
1
3
9
9
2
8
9
4
2
9
8
0
5
1
5
1
3
6
7
3
Q
Q
TEL 13942296513 QQ 376315150 892498299
TEL 13942296513 QQ 376315150 892498299
http://www.xiaoyu163.com
http://www.xiaoyu163.com

Table of Contents

Related product manuals