EasyManua.ls Logo

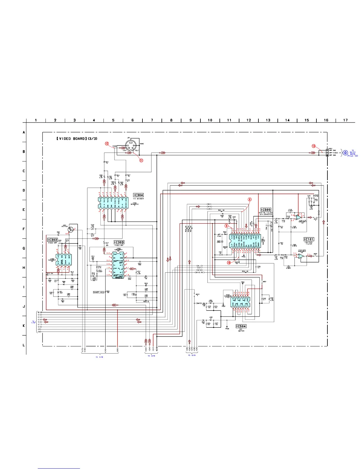
Sony HCD-VX555 - Schematic Diagram Video Section (3;3)

Sony HCD-VX555
86 pages
Print Icon
To Next Page IconTo Next Page
To Next Page IconTo Next Page
To Previous Page IconTo Previous Page
To Previous Page IconTo Previous Page
Loading...
4747
HCD-VX555/VX555J
6-23. SCHEMATIC DIAGRAM VIDEO SECTION (3/3)
See page 23 for Wavefoms.

Table of Contents

Related product manuals