EasyManua.ls Logo

Sony HCD-VZ0 - Block Diagrams - BD Section; BD Section Block Diagram

Sony HCD-VZ0
92 pages
Print Icon
To Next Page IconTo Next Page
To Next Page IconTo Next Page
To Previous Page IconTo Previous Page
To Previous Page IconTo Previous Page
Loading...
HCD-VZ10
28
28
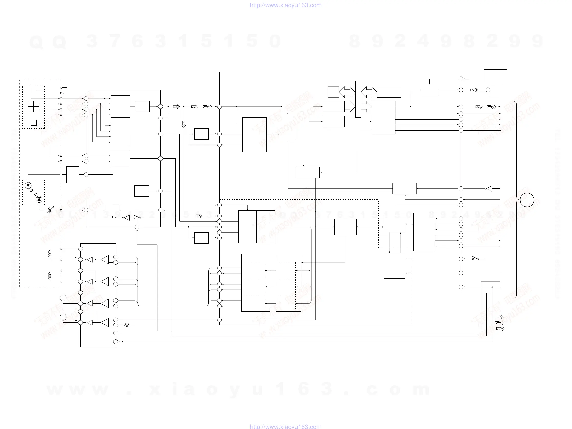
7-2. BLOCK DIAGRAMS
BD SECTION
E
F
A
B
C
D
DRIVE
Q101
LD
RF EQ
AMP
SUMMING
AMP
RF
ERROR
AMP
FOCUS
ERROR
AMP
TRACKING
APC LD
AMP
VC
BUFFER
VC
REF
RF AMP
IC103
DIGITAL SERVO
DIGITAL SIGNAL PRCESSOR
IC101
IC551
LASER
DIODE
DETECTOR
OPTICAL PICK-UP BLOCK
(KSM-213DAP/Z-NP)
A
C
D
B
E
F
LD
POWER
PD
LD
PD
LD
A
C
D
B
E
F
TE
FE
RFO
RFI
ASYMMETRY
CORRECTION
AUTO
SEQUENCER
SERVO
INTEG-
RATOR
DIGITAL
PLL
EFM
DEMODULATOR
REGISTER
SUB CODE
PROCESSOR
ERROR
CORRECTOR
DATA BUS
32K
RAM
D/A
INTERFACE
DIGITAL
CD DIGITAL
OUT
OPTICAL
OUT
DOUT
SERVO
INTERFACE
DIGITAL
CLV
LD ON
OP AMP
ANALOG SW
A/D
CONVERTER
PWM
GENERATOR
TRACKING
PWM
GENERATOR
FOCUS
PWM
GENERATOR
SLED
PWM
GENERATOR
VC
TRACKING
SERVO
FOCUS
SERVO
SLED
SERVO
SERVO DSP
TFDR
TRDR
FFDR
FRDR
SFDR
SRDR
MDP
DETECTOR
MIRR
DFCT
FOK
D OUT
PCM-D
S STOP
RFDC
FE
TE
CE
VC
SE
CPU
INTERFACE
SENS
DATA
XLAT
CLOK
CLOCK
GENERATOR
XTAI
XTSL
M
M
TRACKING
COIL
FOCUS
COIL
SLED
MOTOR
M102
SPINDLE
MOTOR
M101
T+
T
F+
F
SD+
SD
SP+
SP
FOCUS/TRACKING COIL DRIVE
SPINDLE/SLED MOTOR DRIVE
IC102
VC
TFDR
TRDR
FFDR
FRDR
SFDR
SRDR
XRST
MUTE
09
S101
LIMIT SW
SQCK
A+5V
IC104
XRST
ADATA
BCLK
LRCK
MCK
SENS
CTRL1
DATA
SCLK
SCLK
XLT
CLK
SCOR
SQSO
SCOR
SUBQ
SQCK
LPH
XRST
LD ON
LRCK
BCLK
C2PO
MUTE
MUTE
C2PO
D+5V
MD2
RF AC
ASYI
ASYO
CONTROL SIGNAL
BLOCK
SERVO
BLOCK
VCC
VC
VIDEO
SECTION
• SIGNAL PATH
: CD
: VIDEO
: Digital out
(Page 29)
A
(XTAL 33.8MHz)
4
2
5
7
8
6
11
10
3
4
26
27
24
23
20
STBY1
9
22
21
12
13
17
14
16
50
48
49
43
38
41
39
40
42
32
31
34
33
30
29
25
64
63
67
66
14
65
71
3
7
69
15
6
5
4
77
76
8
26
2
1
12
11
14
13
17
18
15
16
3
2
6
5
INTEG-
RATOR
w
w
w
.
x
i
a
o
y
u
1
6
3
.
c
o
m
Q
Q
3
7
6
3
1
5
1
5
0
9
9
2
8
9
4
2
9
8
T
E
L
1
3
9
4
2
2
9
6
5
1
3
9
9
2
8
9
4
2
9
8
0
5
1
5
1
3
6
7
3
Q
Q
TEL 13942296513 QQ 376315150 892498299
TEL 13942296513 QQ 376315150 892498299
http://www.xiaoyu163.com
http://www.xiaoyu163.com

Table of Contents

Related product manuals