EasyManua.ls Logo

Sony PMC-DR70L - Page 22

Sony PMC-DR70L
66 pages
Print Icon
To Next Page IconTo Next Page
To Next Page IconTo Next Page
To Previous Page IconTo Previous Page
To Previous Page IconTo Previous Page
Loading...
– 22 –
LW FREQUENCY COVERAGE ADJUSTMENT
Adjust part Frequency display
reading on digital
voltmeter
L10 153kHz
Adjustment value :1.4V
Standard value : 1.2 – 1.6V
Adjustment value :5.5V
CT5 297kHz
Standard value : 5.4 – 5.6V
LW TRACKING ADJUSTMENT
Adjust for a maximum reading on level meter.
L7 162kHz
CT3 261kHz
FM FREQUENCY COVERAGE CONFIRMATION
Adjust part Frequency display
reading on digital
voltmeter
Confirmation 87.5MHz 1.2 – 1.8V
Confirmation 108MHz 7.7 – 7.9V
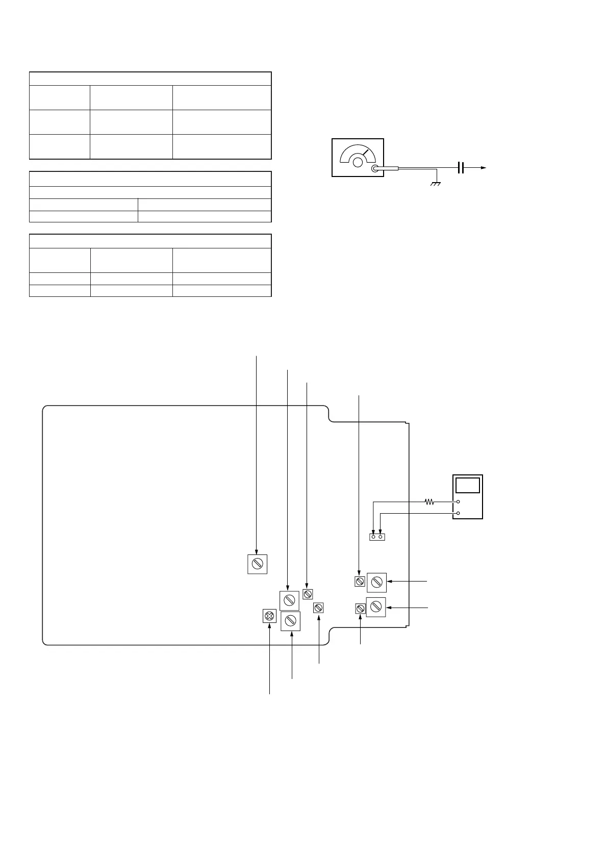
Connect and Adjustment Location :
TP1
+
MW/LW frequency coverage
FM frequency coverage
Digital voltmeter
100 k
L7 : LW Tracking Adjustment
CT3 : LW Tracking Adjustment
L4 : MW Tracking Adjustmen
t
CT102 : MW Tracking Adjustment
VT
GND
L10 : LW Frequency coverage Adjustment
CT5 : LW Frequency coverage Adjustment
L5 : MW Frequency coverage Adjustment
CT4 : MW Frequency coverage Adjustment
SR1 : Auto Stop Level Adjustment
T2 : MW/LW IF Adjustment
[MAIN BOARD] (Component side)
Auto Stop Level Adjustment
BAND button : FM
Volume : MIN
1. Set the frequency of FM SSG to 98MHz.
2. Press the TUNE button of the unit to start the AUTO TUNING.
3. Adjustment the SR1 to stop the auto tuning at 30dBµ SSG out-
put.
FM RF signal
generator
22.5kHz frequency deviation by
400Hz signal.
Output level : 30dB
µ
FM EXT.
ANT.
terminal
0.01
µ
F

Table of Contents