EasyManua.ls Logo

Sony PMC-DR70L - System Block Diagrams

Sony PMC-DR70L
66 pages
Print Icon
To Next Page IconTo Next Page
To Next Page IconTo Next Page
To Previous Page IconTo Previous Page
To Previous Page IconTo Previous Page
Loading...
– 28 – – 30 –– 29 –
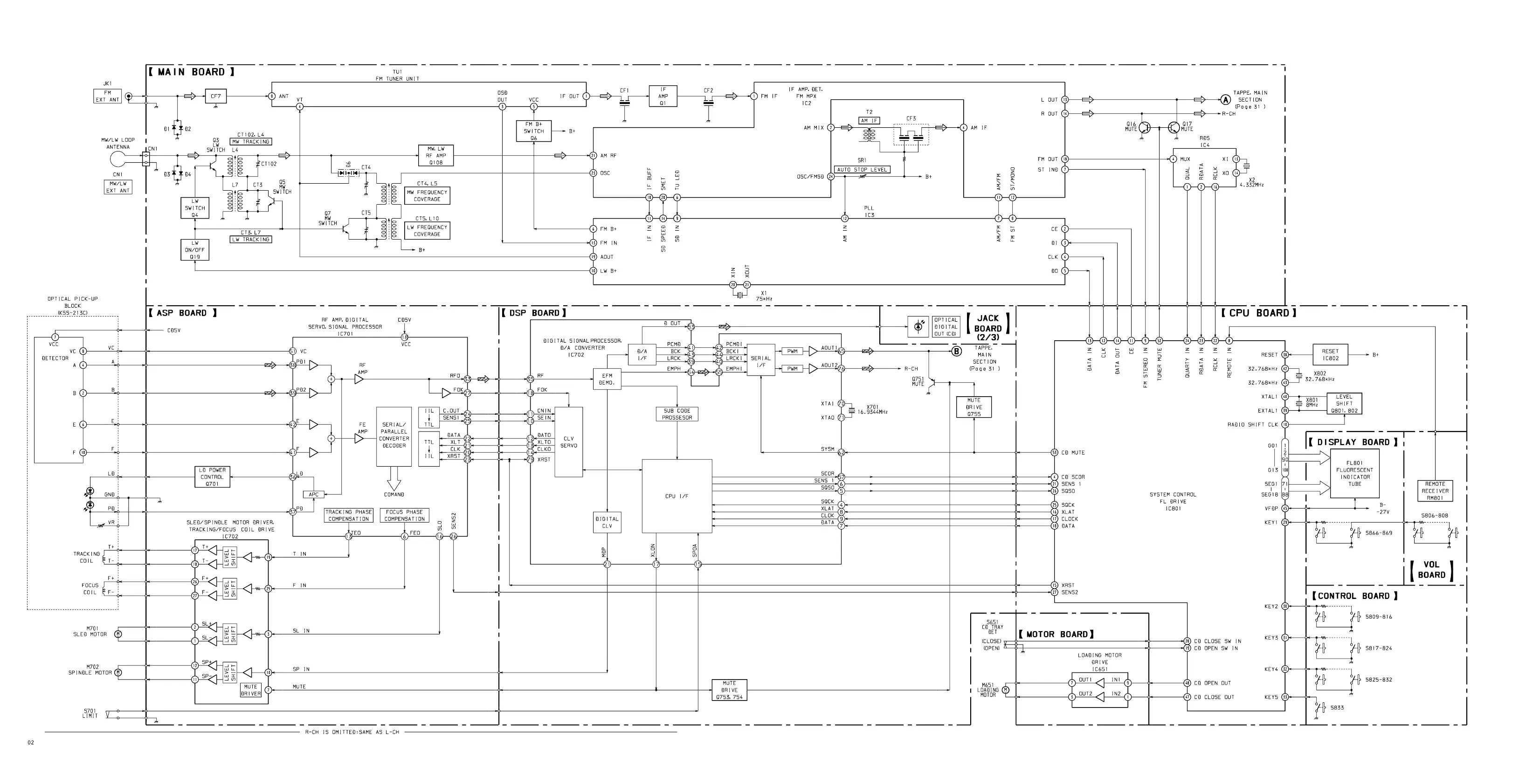
PMC-DR50L/DR70L
5-2. BLOCK DIAGRAMS – CD, TUNER SECTION –
Signal path.
F : FM
f : MW/LW
J : CD

Table of Contents