EasyManua.ls Logo

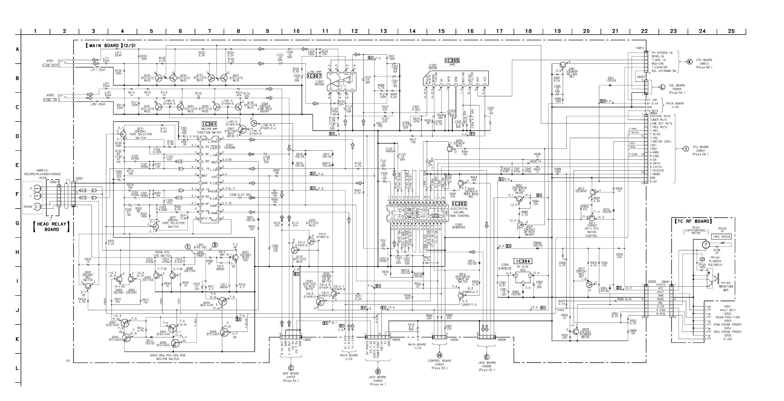
Sony PMC-DR70L - Schematic Diagram - Main Section (2;3)

Sony PMC-DR70L
66 pages
Print Icon
To Next Page IconTo Next Page
To Next Page IconTo Next Page
To Previous Page IconTo Previous Page
To Previous Page IconTo Previous Page
Loading...
– 42 – – 44 –– 43 –
PMC-DR50L/DR70L
5-6. SCHEMATIC DIAGRAM – MAIN SECTION (2/3) –
r
Refer to page 74 for IC Block Diagrams.
r
Refer to page 45 for Waveforms.
r
Refer to page 45 for Notes.

Table of Contents

Related product manuals