EasyManua.ls Logo

Sony SA-WS700RF - SCHEMATIC DIAGRAM - POWER Board (SA-WS500 RF: E3, EA, SP, AR, IND;WS700 RF: E3, EA, SP, IND, RU)

Sony SA-WS700RF
51 pages
Print Icon
To Next Page IconTo Next Page
To Next Page IconTo Next Page
To Previous Page IconTo Previous Page
To Previous Page IconTo Previous Page
Loading...
HT-S500RF/S700RF
HT-S500RF/S700RF
37
Sony CONFIDENTIAL
For Authorized Servicer
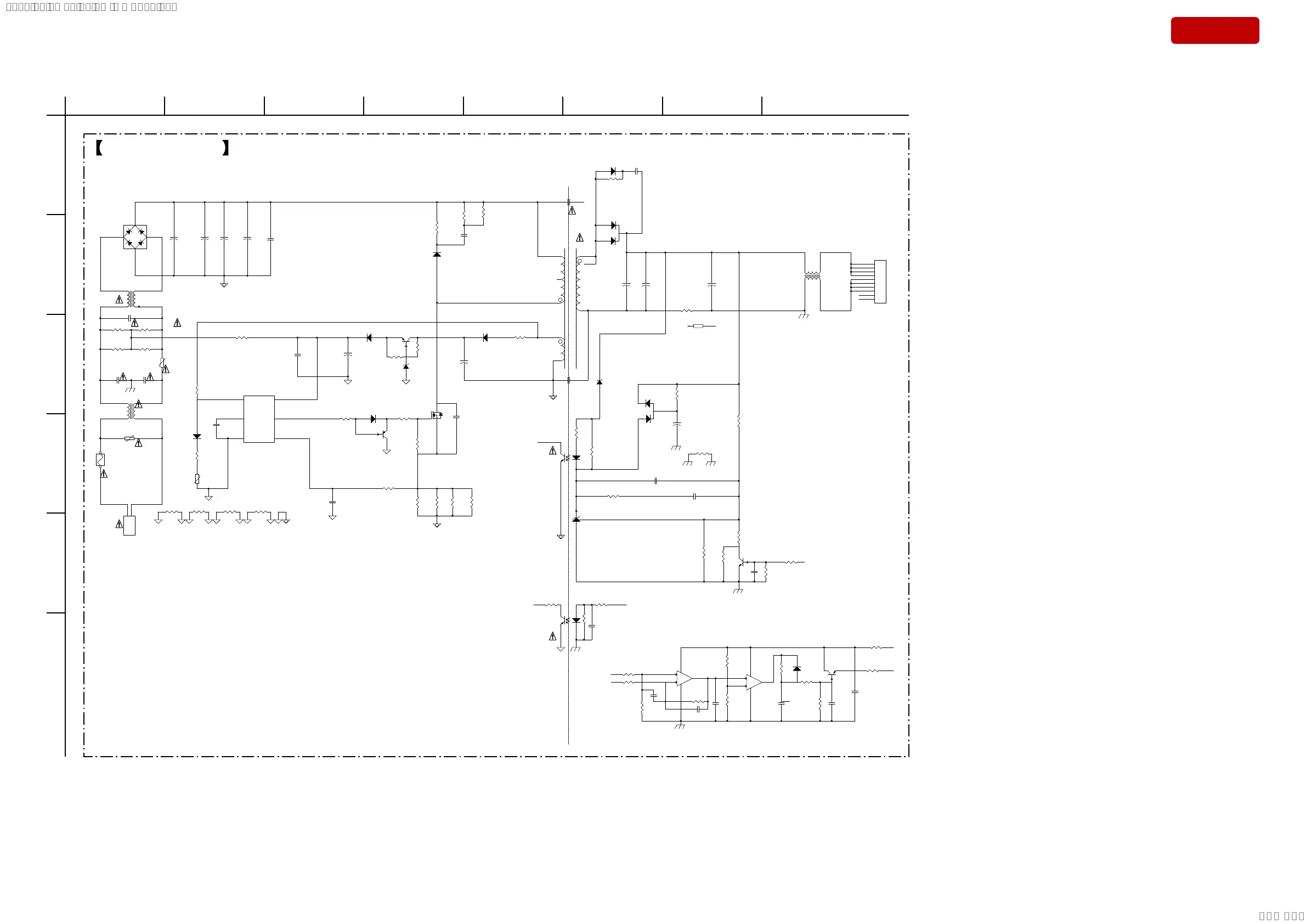
5-20. SCHEMATIC DIAGRAM - POWER Board (SA-WS500RF: E3, EA, SP, AR, IND/WS700RF: E3, EA, SP, IND, RU) -
VOUT-GND
RT
BA
VOUT-GND
VOUT
N
CS
FB
D
VCC-GND
DC1
OPP
C
OP-
36V
VCC
PSON
PSON
FB
fault
RT
fault
OP- OP+
PSON
OPP
OP+
OP-
R533 9.1
R511
nc/12.4K
R517
2.2K
HS3
R519 10K
R508
22
D534
M7J/1A/1000V
TR502
100K
1000uF/50V
CE506
C511 100pF/50V/NP0
D504
20A/300V
R504
270K
JMP503
0
R50142M
R522
75K
R512
nc/12.4K
R524
1K
JMP504
0
R525
0
LIF501
30UH
R516
1K
C515
0.1uF
R530 33
R541
3K
R546
10K/1%
XP1
C506
0.1uF/50V/X7R
R521
10K
R520
12.4K
U502
LTV-817
CN501
C525
0.1uF
U504A
LM3580
C516
2200PF
R529 75K
D601
BAS316/100V/0.5A
CY503
470pF/250VAC
U551
AS431
R511C
C502
0.0022uF(222)400V
R548
75K
R570
10m
R507
51
R544
3K
C508
0.0022uF(222)400V
R515
NC/33K
R518
2.2K
D505 HER203
R502
22K/2W
Q502
R503
NC
D509
BAS316
CX501 0.33uF/250VAC
NC/220uF/250V
CE5021
C512
0.1uF/50V/X7R
JMP501
0
D503
BAS316
C510
0.1uF/50V/X7R
U504B
LM3580
R511A
Q542
NC/3904
R50112M
1000uF/50V
CE507
R523
0
R501
9.1
250uH
LIF551
CY501
220pF/250VAC
D510
BAS316
RV501
VDR/620V
U501
C507
R510 330
CY504
470pF/250VAC
ZD505
22V
NC/220uF/250V
CE5011
ZD504
15V
BD501
KBU610
C524
0.1uF
LIF502-1
R542 12.4K
C519
0.1uF
R543
1K
R547
11.5K/1%
R511D
Q503
BT8550
U503
LTV-817
R509
10K
120uF/450V
CE501
R526
1K
T501
PQ37
CE505
4.7uF/50V
C509
100pF/50V/X7R
R545
NC/3K
C520
10uF/16V
R540
3K
JMP505
0
R511B
NC/4.7uF/50V
CE510
F501
FUSE_6.3AH/250V
D502
1N5407
C513
NC/0.1uF/50V/X7R
R514 4.7
R50122M
C501
NC/103/400V
R50132M
R536
100
TR501
NTC/3ohm/5A
R506
C505
100pF/50V/NP0
D507
NC/BAT54S
CY502
220pF/250VAC
Q501
JMP502
0
1000uF/50V
CE508
120uF/450V
CE502
CE504
22uF/50V
R513
2K
LIF502
Q543
NC/3904
1
2
3
1
34
2
1
2
3
4
5
6
7
8
9
10
12
43
1
2
<Package>
3
2
1
8
4
3
1
2
3DG3904M
<Package>
5
6
7
8
4
21
26
35
4
2
1
3
4
23
41
12
43
3
1
2
6
2
1
3
2
23
41
+
+
-
V+
V-
+
+
-
V+
V-
+
+
-+
+
+
+
+
+
+
1
2
3
4
5
6
7
8
9
10
1
2
GND
FB GATE
RT VDD
SENSE
D
1
VCC
VDD
G
DS
A
E
D
B
C
1234567 8
POWER BOARD
F
SYSSET
2018/11/2806:27:54(GMT+09:00)

Table of Contents

Related product manuals