EasyManua.ls Logo

Sony SA-WS700RF - SCHEMATIC DIAGRAM - POWER Board (SA-WS500 RF: LA;WS700 RF: BR, LA)

Sony SA-WS700RF
51 pages
Print Icon
To Next Page IconTo Next Page
To Next Page IconTo Next Page
To Previous Page IconTo Previous Page
To Previous Page IconTo Previous Page
Loading...
HT-S500RF/S700RF
HT-S500RF/S700RF
38
Sony CONFIDENTIAL
For Authorized Servicer
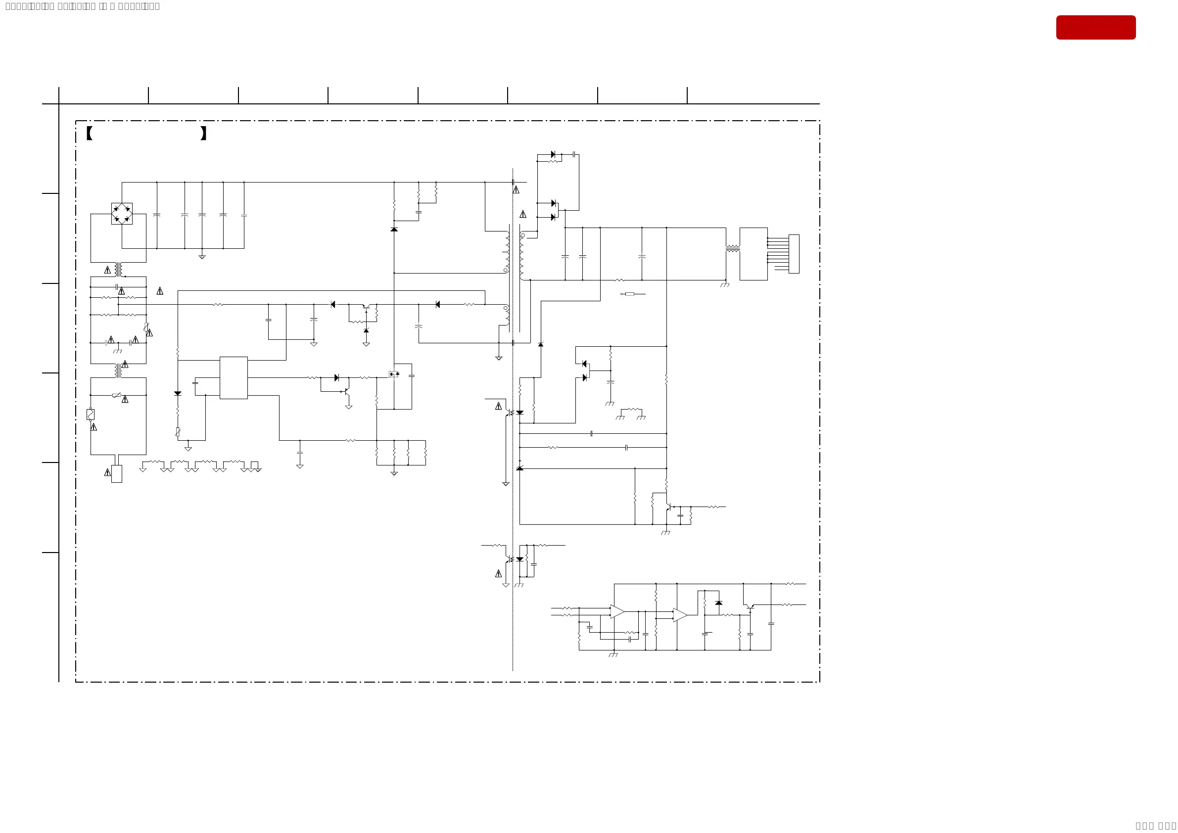
5-21. SCHEMATIC DIAGRAM - POWER Board (SA-WS500RF: LA/WS700RF: BR, LA) -
1
2
1
2
3
4
5
6
7
8
9
10
GND
FB GATE
RT VDD
SENSE
D
1
VCC
VDD
G
DS
C511 100pF/50V/NP0
1000uF/50V
CE506
TR502
100K
D534
M7J/1A/1000V
R508
22
R519 10K
HS3
R517
2.2K
R511
nc/12.4K
R533 9.1
JMP504
0
R524
1K
R512
nc/12.4K
R522
75K
R50142M
JMP503
0
R504
270K
D504
20A/300V
R516
1K
LIF501
30UH
R525
0
CN501
U502
LTV-817
R520
12.4K
R521
10K
C506
0.1uF/50V/X7R
XP1
R546
10K/1%
R541
3K
R530 33
C515
0.1uF
C502
0.0022uF(222)400V
R511C
U551
AS431
CY503
470pF/250VAC
D601
BAS316/100V/0.5A
R529 75K
C516
2200PF
U504A
LM3580
C525
0.1uF
R507
51
R570
10m
R548
75K
R502
22K/2W
D505 HER203
R518
2.2K
R515
NC/33K
C508
0.0022uF(222)400V
R544
3K
C510
0.1uF/50V/X7R
D503
BAS316
JMP501
0
C512
0.1uF/50V/X7R
NC/220uF/250V
CE5021
CX501 0.33uF/250VAC
D509
BAS316
R503
NC
Q502
R501
9.1
R523
0
1000uF/50V
CE507
R50112M
Q542
NC/3904
R511A
U504B
LM3580
ZD505
22V
CY504
470pF/250VAC
R510 330
C507
U501
RV501
VDR/620V
D510
BAS316
CY501
220pF/250VAC
250uH
LIF551
BD501
KBU610
ZD504
15V
NC/220uF/250V
CE5011
LIF502-1
C524
0.1uF
C509
100pF/50V/X7R
CE505
4.7uF/50V
T501
PQ37
R526
1K
150uF/450V
CE501
R509
10K
U503
LTV-817
Q503
BT8550
R511D
R547
10K/1%
R543
1K
C519
0.1uF
R542 12.4K
NC/4.7uF/50V
CE510
R511B
JMP505
0
R540
3K
C520
10uF/16V
R545
NC/3K
R514 4.7
C513
NC/0.1uF/50V/X7R
D502
1N5407
F501
FUSE_6.3AH/250V
TR501
NTC/3ohm/5A
R536
100
R50132M
C501
NC/103/400V
R50122M
Q543
NC/3904
LIF502
R513
2K
CE504
22uF/50V
150uF/450V
CE502
1000uF/50V
CE508
JMP502
0
Q501
CY502
220pF/250VAC
D507
NC/BAT54S
C505
100pF/50V/NP0
R506
VOUT-GND
RT
BA
VOUT-GND
VOUT
N
CS
FB
D
VCC-GND
DC1
OPP
C
OP-
36V
VCC
PSON
PSON
FB
fault
RT
fault
OP- OP+
PSON
OPP
OP+
OP-
+
+
-
V+
V-
+
+
+
-
V+
V-
-+
+
+
+
+
+
+
+
1
2
3
1
34
2
1
2
12
43
1
2
3
4
5
6
7
8
9
10
3
1
2
<Package>
3
2
1
8
4
3DG3904M
<Package>
5
6
7
8
4
1
26
35
42
2
1
3
4
23
41
3
1
2
6
12
43
2
23
41
1
3
2
A
E
D
B
C
1234567 8
POWER BOARD
F
SYSSET
2018/11/2806:27:54(GMT+09:00)

Table of Contents

Related product manuals