EasyManua.ls Logo

Sony STR-DA777ES - Block Diagram Control Section

Sony STR-DA777ES
80 pages
Print Icon
To Next Page IconTo Next Page
To Next Page IconTo Next Page
To Previous Page IconTo Previous Page
To Previous Page IconTo Previous Page
Loading...
STR-DA777ES/V777ES
1010
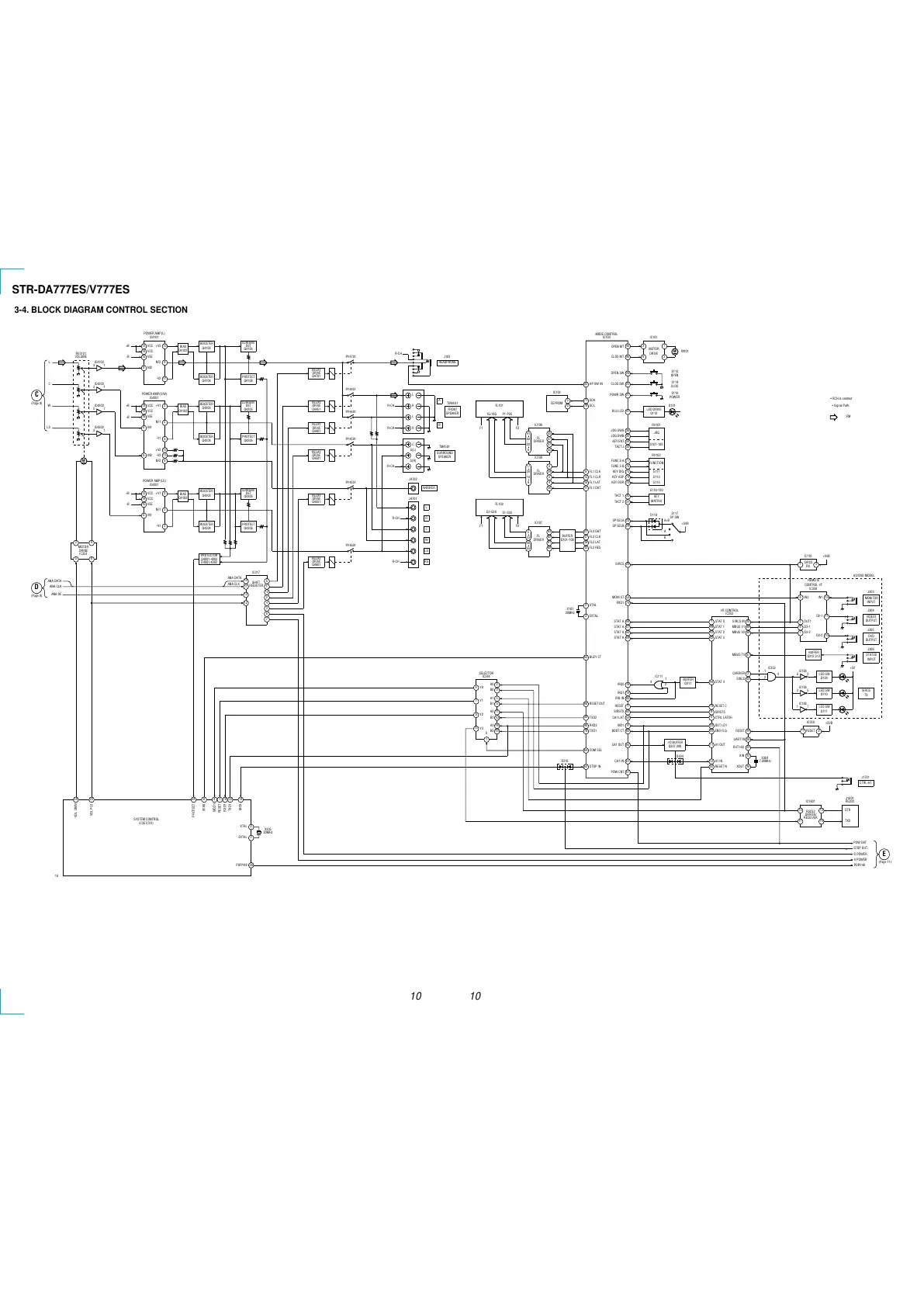
3-4. BLOCK DIAGRAM CONTROL SECTION
31
IC4102L
31
IC4202C
57
IC4202W
31
IC4302LS
C
(Page 9)
RV3101
VOLUME
M
VCC
13
VCC
14
VEE
15
IN2
8
12
+V2
11
-V2
+B
-B
BOOSTER
Q4103
CURRENT
DET
Q4105
9
NF2
BOOSTER
Q4104
PROTECT
Q4106
POWER AMP(L)
IC4101
VCC
13
VCC
14
VEE
15
IN1
6
2
+V1
3
-V1
+B
-B
BOOSTER
Q4203
CURRENT
DET
Q4205
5
NF1
BOOSTER
Q4204
PROTECT
Q4206
POWER AMP(C/W)
IC4201
12
+V2
11
-V2
9
NF2
IN2
8
VCC
13
VCC
14
VEE
15
IN1
6
2
+V1
3
-V1
+B
-B
BOOSTER
Q4303
CURRENT
DET
Q4305
5NF1
BOOSTER
Q4304
PROTECT
Q4306
POWER AMP(LS)
IC4301
PROTECTOR
Q4001-4003
D4001,4002
RELAY
DRIVE
Q4701
RY4701
R-CH
HEADPHONE
J103
SHIFT
REGISTER
IC317
14
11
13
12
5
ANA DATA
ANA CLK
D POWER
V POWER
ANA DATA
D
(Page 9)
ANA CLK
ANA OE
F1
P1-P35
FL101
1G-19G
F2
41
60
20
6
.
35
37
27
32
FL
DRIVER
IC108
17
26
16
8
.
3
29
5
4
FL
DRIVER
IC109
30
F1
S1-S35
FL102
G1-G16
F2
63
62
61
60
FL
DRIVER
IC107
5
33
40
55
BUFFER
Q101-108
FL1 CLK
9
FL1 CLR
13
FL1 LAT
10
FL1 DAT
11
FL2 DAT
21
FL2 CLK
17
FL2 LAT
16
FL2 RES
15
HP SW IN
22
MODE CONTROL
IC103
FUNCTION
RV102
S111
S113
S115
77
FUNC S A
75
KEY DIG
30
TACT 1
JOG
RV101
S101-109
36
JOG SWA
34
KEY ENT
32TACT J
35
JOG SWB
76
FUNC S B
74
KEY ASP
72
KEY DOR
KEY
MATRIX
23SP SELA
31
TACT 2
S118-130
EEPROM
IC102
SDA
71
SCL
70
5
6
MOTOR
DRIVE
IC101
45
OPEN MT
7
246
CLOS MT
3
6
M
M101
LED DRIVE
Q112
41BLU LED
D101
26
OPEN SW
25
CLOS SW
S112
OPEN
S114
CLOS
27
POWR SW
S116
POWER
24
SP SELB
79RXD1
+5VB
SIRCS
RX
28
SIRCS
3
1
IC110
D110
S117
SP SW
A+B
A
B
XTAL
2
EXTAL
3
X101
20MHz
IC358
13IN1
MONITOR
INPUT
J303
11
O2-1
VIDEO1
OUTPUT
J304
IN3
4
OUT1
2
O3-1
6
O3-2
7
I/R CONTROL
IC352
10
SIRCS IN
39
MBUS V1
38
MBUS V2
26
UART IN
+5VB
RESET
2
1
IC350
+5VB
14
RESET
RESET C
19
STAT 0
1
STAT 1
44
STAT 2
43
STAT 3
42
58
STAT A
53MONI ST
57
STAT A
55
STAT A
54
STAT A
19
IRQ1
BUFFER
Q311
STAT 4
44
18
IRQ0
1RESET
4
1
2
IC111
80
IRQ IN
A1 OUT
11
60
CA1 OUT
CTRL LATCH
5
59CA1 LAT
SIRSTS
8
52SIRSTS
OUT LO1
22
4
MD1
END FLG
25
65
BOOT CT
I/O BUFFER
Q307,308
A1 IN
12
61
CA1 IN
23OUT HI2
D304
15
XIN
16
XOUT
X304
7.28MHz
CTRL-A1
J1701
13
12
IC1601
RS232
DRIVER/
RECEIVER
14
11
J1601
RS232
DTR
TXD
RESET N
20
67
POW CNT
POW CNT
STOP OUT
D316
STOP IN
62
SELECTOR
IC344
2
A0
3
B0
Y0
4
5
A1
6
B1
Y1
7
11A2
10B2
Y2
9
14
A3
13
B3
Y3
12
1
S
COM SEL
64
TXD1
78
RXD2
40
TXD2
39
RESET OUT
66
BUZY CT
63
39
VOL DWN
34
PROTECT
2
MOTOR
DRINE
IC333
22
VOL PLS
4
5 8
16
SYSTEM CONTROL
IC357(3/3)
9
SCK0
4
MOD1
1
RESET
79
RXD1
78
TXD1
14
MCK
2XTAL
3
EXTAL
X305
20MHz
E
(Page 11)
WOOFER
R
C
W
LS
RS
R-CH
R-CH
J4701
RY4451
RY4401
RELAY
DRIVE
Q4451
RELAY
DRIVE
Q4401
L
R
L
R
C
S(L)
S(R)
R-CH
R-CH
R-CH
RELAY
DRIVE
Q4551
RY4551
RELAY
DRIVE
Q4501
RY4501
RELAY
DRIVE
Q4601
RY4601
1
15
2
4
3
6
7
J4702
L
FRONT
SPEAKER
A
B
TM4401
SURROUND
SPEAKER
TM4501
10
O2-2
DVD
OUTPUT
J305
STATUS
INPUT
J306
REMOTE
CONTROL I/F
BUFFER
Q312,313
37MBUS TV
2
CARRIER
33
SIRCS
1
2
4
IC353
62
35
17
LED SW
Q109
LED SW
Q110
LED SW
Q111
SIRCS
TX
+5V
IC106
IC106
IC106
PORY48
26
PORY48
Signal Path
RCH is omitted
: FM
US/CND MODEL
BIAS
Q4102
BIAS
Q4102
BIAS
Q4102
All manuals and user guides at all-guides.com

Table of Contents

Related product manuals