EasyManua.ls Logo

Sony STR-DA777ES - Schematic Diagram Display Section(1;2)

Sony STR-DA777ES
80 pages
Print Icon
To Next Page IconTo Next Page
To Next Page IconTo Next Page
To Previous Page IconTo Previous Page
To Previous Page IconTo Previous Page
Loading...
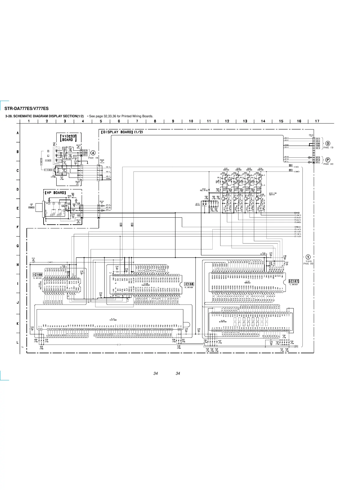
STR-DA777ES/V777ES
3434
3-28. SCHEMATIC DIAGRAM DISPLAY SECTION(1/2) See page 32,33,36 for Printed Wiring Boards.
All manuals and user guides at all-guides.com

Table of Contents

Related product manuals