EasyManua.ls Logo

Sony STR-DA777ES - Schematic Diagram AMP Section(1;2)

Sony STR-DA777ES
80 pages
Print Icon
To Next Page IconTo Next Page
To Next Page IconTo Next Page
To Previous Page IconTo Previous Page
To Previous Page IconTo Previous Page
Loading...
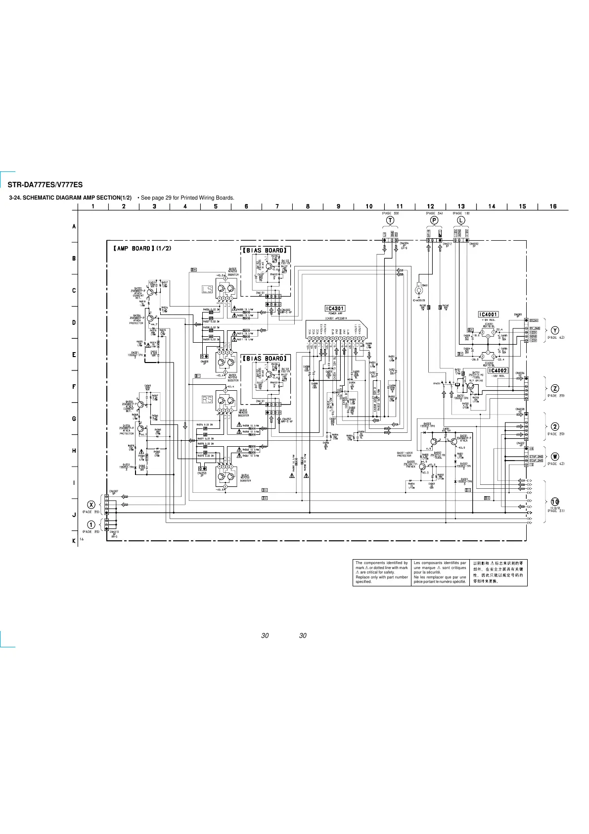
STR-DA777ES/V777ES
3030
3-24. SCHEMATIC DIAGRAM AMP SECTION(1/2) See page 29 for Printed Wiring Boards.
The components identified by
mark 0 or dotted line with mark
0 are critical for safety.
Replace only with part number
specified.
Les composants identifiés par
une marque 0 sont critiques
pour la sécurité.
Ne les remplacer que par une
pièce portant le numéro spécifié.
All manuals and user guides at all-guides.com

Table of Contents

Related product manuals