EasyManua.ls Logo

Sony STR-DA777ES - Schematic Diagram Video Section

Sony STR-DA777ES
80 pages
Print Icon
To Next Page IconTo Next Page
To Next Page IconTo Next Page
To Previous Page IconTo Previous Page
To Previous Page IconTo Previous Page
Loading...
STR-DA777ES/V777ES
1515
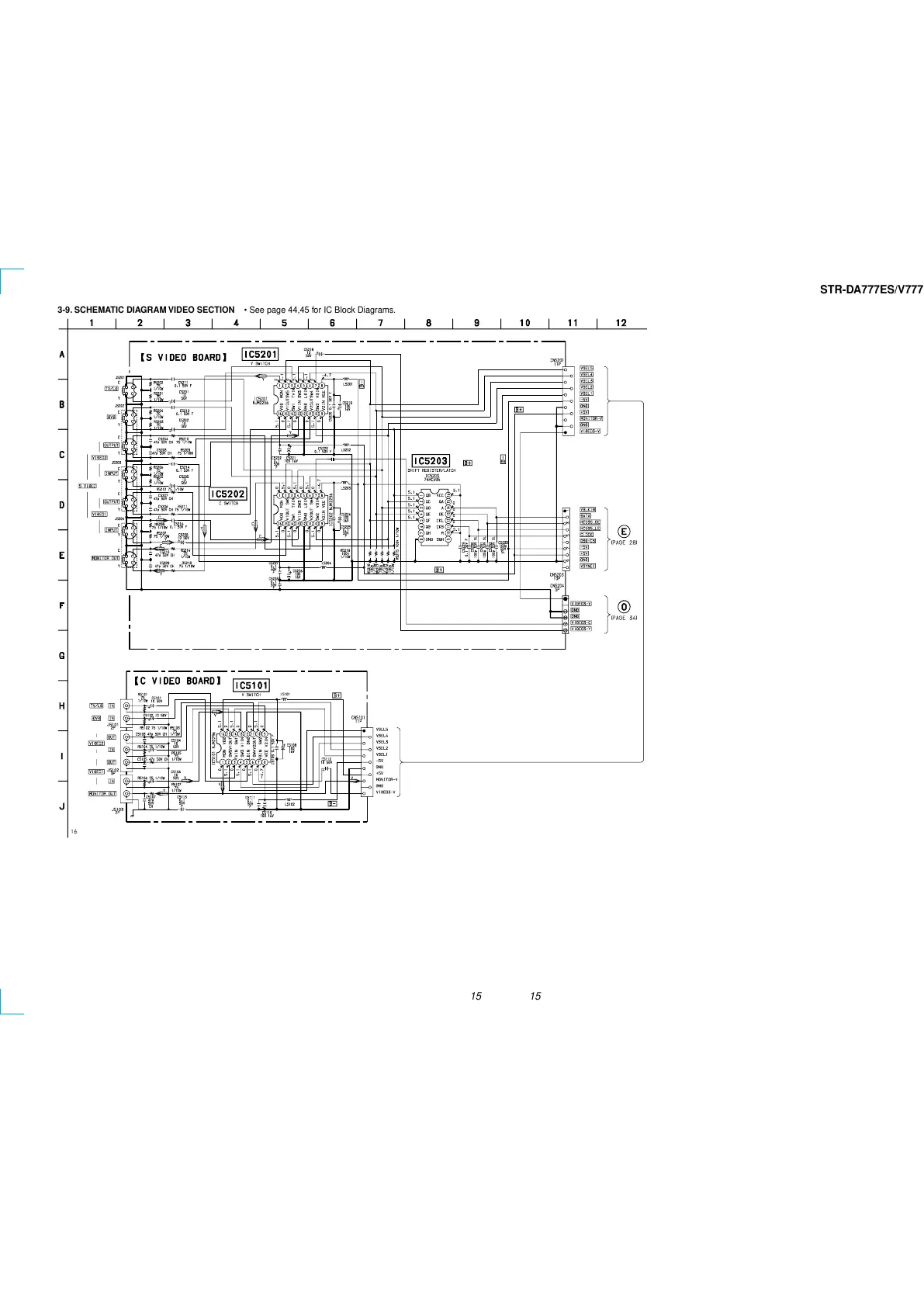
3-9. SCHEMATIC DIAGRAM VIDEO SECTION See page 44,45 for IC Block Diagrams.
All manuals and user guides at all-guides.com

Table of Contents

Related product manuals